Мініатюрні кулькові підшипники фланця метричних серій - це тип підшипника, що широко використовується в точній техніці, особливо підходить для обладнання з обмеженим простором та високими вимогами до продуктивності. Такі підшипники, як правило, виготовляються з високоякісних матеріалів, щоб забезпечити їх довговічність та стабільність. Його дизайн фланця забезпечує додаткову підтримку, полегшує встановлення, а також може ефективно зменшити переміщення підшипника під час роботи. Основні особливості цього міні -кулькового підшипника включають низький коефіцієнт тертя, високу швидкість обертання та відмінну вантажопідйомність. Вони підходять для різноманітних додатків, таких як електроінструменти, роботи, принтери та невеликі двигуни. З точки зору дизайну, мініатюрні кулькові підшипники метричних серій також звертають увагу на деталі і, як правило, доступні в різних розмірах та конфігураціях для задоволення потреб різного обладнання. Підшипники зазвичай попередньо змащуються або запечатані.
Параметри продукту
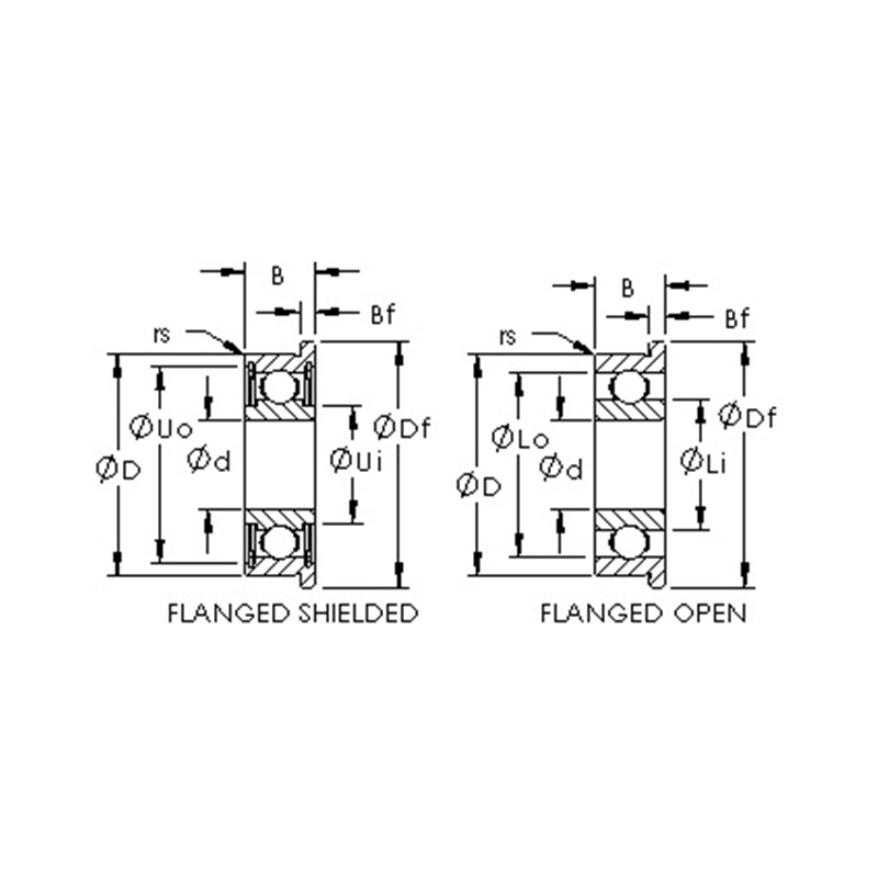
| Номер товару | Тип підшипника | Розміри (MM) | Основний рейтинг навантаження (N) | |||||
| р. | Р. | Б | DF | Бф | Динамічний рейтинг навантаження (CR) | Статичний рейтинг навантаження (COR) | ||
| F691 | Відкриті фланцеві кулькові підшипники | 1 | 4 | 1.6 | 5 | 0.5 | 120 | 30 |
| MF41X | Відкриті фланцеві кулькові підшипники | 1.2 | 4 | 1.8 | 4.8 | 0.4 | 95 | 26 |
| F681X | Відкриті фланцеві кулькові підшипники | 1.5 | 4 | 1.2 | 5 | 0.4 | 95 | 26 |
| F681XZZ | Запечатані фланцеві кулькові підшипники | 1.5 | 4 | 2 | 5 | 0.6 | 95 | 26 |
| F691X | Відкриті фланцеві кулькові підшипники | 1.5 | 5 | 2 | 6.5 | 0.6 | 144 | 40 |
| F691XZZ | Запечатані фланцеві кулькові підшипники | 1.5 | 5 | 2.6 | 6.5 | 0.8 | 144 | 40 |
| F601X | Відкриті фланцеві кулькові підшипники | 1.5 | 6 | 2.5 | 7.5 | 0.6 | 281 | 79 |
| F601XZZ | Запечатані фланцеві кулькові підшипники | 1.5 | 6 | 3 | 7.5 | 0.8 | 281 | 79 |
| F682 | Відкриті фланцеві кулькові підшипники | 2 | 5 | 1.5 | 6.1 | 0.5 | 144 | 40 |
| F682 2rs | Запечатані фланцеві кулькові підшипники | 2 | 5 | 1.5 | 6.1 | 0.5 | 144 | 40 |
| F682zz | Запечатані фланцеві кулькові підшипники | 2 | 5 | 2.3 | 6.1 | 0.6 | 144 | 40 |
| MF52 | Відкриті фланцеві кулькові підшипники | 2 | 5 | 2 | 6.2 | 0.6 | 144 | 40 |
| MF52 2RS | Запечатані фланцеві кулькові підшипники | 2 | 5 | 2 | 6.2 | 0.6 | 144 | 40 |
| Mf52zz | Запечатані фланцеві кулькові підшипники | 2 | 5 | 2.5 | 6.2 | 0.6 | 144 | 40 |
| F692 | Відкриті фланцеві кулькові підшипники | 2 | 6 | 2.3 | 7.5 | 0.6 | 281 | 79 |
| F692 2rs | Запечатані фланцеві кулькові підшипники | 2 | 6 | 3 | 7.5 | 0.8 | 281 | 79 |
| F692zz | Запечатані фланцеві кулькові підшипники | 2 | 6 | 3 | 7.5 | 0.8 | 281 | 79 |
| MF62 | Відкриті фланцеві кулькові підшипники | 2 | 6 | 2.5 | 7.2 | 0.6 | 281 | 79 |
| MF62 2RS | Запечатані фланцеві кулькові підшипники | 2 | 6 | 2.5 | 7.2 | 0.6 | 281 | 79 |
| Mf62zz | Запечатані фланцеві кулькові підшипники | 2 | 6 | 2.5 | 7.2 | 0.6 | 281 | 79 |
| MF72 | Відкриті фланцеві кулькові підшипники | 2 | 7 | 2.5 | 8.2 | 0.6 | 328 | 103 |
| MF72 2RS | Запечатані фланцеві кулькові підшипники | 2 | 7 | 3 | 8.2 | 0.6 | 328 | 103 |
| Mf72zz | Запечатані фланцеві кулькові підшипники | 2 | 7 | 3 | 8.2 | 0.6 | 328 | 103 |
| F602 | Відкриті фланцеві кулькові підшипники | 2 | 7 | 2.8 | 8.5 | 0.7 | 328 | 103 |
| F602 2rs | Запечатані фланцеві кулькові підшипники | 2 | 7 | 2.8 | 8.5 | 0.7 | 328 | 103 |
| F602zz | Запечатані фланцеві кулькові підшипники | 2 | 7 | 3.5 | 8.5 | 0.9 | 328 | 103 |
| F682X | Відкриті фланцеві кулькові підшипники | 2.5 | 6 | 1.8 | 7.1 | 0.5 | 178 | 59 |
| F682x 2rs | Запечатані фланцеві кулькові підшипники | 2.5 | 6 | 1.8 | 7.1 | 0.5 | 178 | 59 |
| F682xzz | Запечатані фланцеві кулькові підшипники | 2.5 | 6 | 2.6 | 7.1 | 0.8 | 178 | 59 |
| F692X | Відкриті фланцеві кулькові підшипники | 2.5 | 7 | 2.5 | 8.5 | 0.7 | 328 | 103 |
| F692x 2rs | Запечатані фланцеві кулькові підшипники | 2.5 | 7 | 3.5 | 8.5 | 0.9 | 328 | 103 |
| F692xzz | Запечатані фланцеві кулькові підшипники | 2.5 | 7 | 3.5 | 8.5 | 0.9 | 328 | 103 |
| MF82X | Відкриті фланцеві кулькові підшипники | 2.5 | 8 | 2.5 | 9.2 | 0.6 | 180 | 67 |
| MF82X 2RS | Запечатані фланцеві кулькові підшипники | 2.5 | 8 | 2.5 | 9.2 | 0.6 | 180 | 67 |
| Mf82xzz | Запечатані фланцеві кулькові підшипники | 2.5 | 8 | 2.5 | 9.2 | 0.6 | 180 | 67 |
| F602X | Відкриті фланцеві кулькові підшипники | 2.5 | 8 | 2.8 | 9.5 | 0.7 | 469 | 142 |
| F602x 2rs | Запечатані фланцеві кулькові підшипники | 2.5 | 8 | 4 | 9.5 | 0.9 | 469 | 142 |
| F602xzz | Запечатані фланцеві кулькові підшипники | 2.5 | 8 | 4 | 9.5 | 0.9 | 469 | 142 |
| MF63 | Відкриті фланцеві кулькові підшипники | 3 | 6 | 2 | 7.2 | 0.6 | 178 | 59 |
| MF63 2RS | Запечатані фланцеві кулькові підшипники | 3 | 6 | 2 | 7.2 | 0.6 | 178 | 59 |
| Mf63zz | Запечатані фланцеві кулькові підшипники | 3 | 6 | 2.5 | 7.2 | 0.6 | 178 | 59 |
| F683 | Відкриті фланцеві кулькові підшипники | 3 | 7 | 2 | 8.1 | 0.5 | 264 | 90 |
| F683 2rs | Запечатані фланцеві кулькові підшипники | 3 | 7 | 3 | 8.1 | 0.8 | 264 | 90 |
| F683zz | Запечатані фланцеві кулькові підшипники | 3 | 7 | 3 | 8.1 | 0.8 | 264 | 90 |
| MF83 | Відкриті фланцеві кулькові підшипники | 3 | 8 | 2.5 | 9.2 | 0.6 | 336 | 113 |
| MF83 2RS | Запечатані фланцеві кулькові підшипники | 3 | 8 | 2.5 | 9.2 | 0.6 | 336 | 113 |
| Mf83zz | Запечатані фланцеві кулькові підшипники | 3 | 8 | 3 | 9.2 | 0.6 | 336 | 113 |
| F693 | Відкриті фланцеві кулькові підшипники | 3 | 8 | 3 | 9.5 | 0.7 | 474 | 114 |
| F693 2rs | Запечатані фланцеві кулькові підшипники | 3 | 8 | 4 | 9.5 | 0.9 | 474 | 144 |
| F693zz | Запечатані фланцеві кулькові підшипники | 3 | 8 | 4 | 9.5 | 0.9 | 474 | 144 |
| MF93 | Відкриті фланцеві кулькові підшипники | 3 | 9 | 2.5 | 10.2 | 0.6 | 485 | 151 |
| MF93 2R | Запечатані фланцеві кулькові підшипники | 3 | 9 | 2.5 | 10.2 | 0.6 | 485 | 151 |
| Mf93zz | Запечатані фланцеві кулькові підшипники | 3 | 9 | 4 | 10.6 | 0.8 | 485 | 151 |
| F603 | Відкриті фланцеві кулькові підшипники | 3 | 9 | 3 | 10.5 | 0.7 | 230 | 151 |
| F603 2rs | Запечатані фланцеві кулькові підшипники | 3 | 9 | 5 | 10.5 | 0.7 | 230 | 151 |
| F603zz | Запечатані фланцеві кулькові підшипники | 3 | 9 | 5 | 10.5 | 1 | 230 | 151 |
| F623 | Відкриті фланцеві кулькові підшипники | 3 | 10 | 4 | 11.5 | 1 | 536 | 175 |
| F623 2RS | Запечатані фланцеві кулькові підшипники | 3 | 10 | 4 | 11.5 | 1 | 536 | 175 |
| F623zz | Запечатані фланцеві кулькові підшипники | 3 | 10 | 4 | 11.5 | 1 | 536 | 175 |
| MF74 | Відкриті фланцеві кулькові підшипники | 4 | 7 | 2 | 8.2 | 0.6 | 264 | 92 |
| MF74 2RS | Запечатані фланцеві кулькові підшипники | 4 | 7 | 2 | 8.2 | 0.6 | 264 | 92 |
| Mf74zz | Запечатані фланцеві кулькові підшипники | 4 | 7 | 2.5 | 8.2 | 0.6 | 217 | 86 |
| MF84 | Відкриті фланцеві кулькові підшипники | 4 | 8 | 2 | 9.2 | 0.6 | 336 | 113 |
| MF84 2RS | Запечатані фланцеві кулькові підшипники | 4 | 8 | 2 | 9.2 | 0.6 | 336 | 113 |
| Mf84zz | Запечатані фланцеві кулькові підшипники | 4 | 8 | 3 | 9.2 | 0.6 | 336 | 113 |
| F684 | Відкриті фланцеві кулькові підшипники | 4 | 9 | 2.5 | 10.3 | 0.6 | 545 | 182 |
| F684 2rs | Запечатані фланцеві кулькові підшипники | 4 | 9 | 4 | 10.3 | 1 | 545 | 182 |
| F684zz | Запечатані фланцеві кулькові підшипники | 4 | 9 | 4 | 10.3 | 1 | 545 | 182 |
| MF104 | Відкриті фланцеві кулькові підшипники | 4 | 10 | 3 | 11.2 | 0.6 | 604 | 218 |
| MF104 2RS | Запечатані фланцеві кулькові підшипники | 4 | 10 | 4 | 11.6 | 0.8 | 604 | 218 |
| Mf104zz | Запечатані фланцеві кулькові підшипники | 4 | 10 | 4 | 11.6 | 0.8 | 604 | 218 |
| F694 | Відкриті фланцеві кулькові підшипники | 4 | 11 | 4 | 12.5 | 1 | 814 | 280 |
| F694 2rs | Запечатані фланцеві кулькові підшипники | 4 | 11 | 4 | 12.5 | 1 | 814 | 280 |
| F694zz | Запечатані фланцеві кулькові підшипники | 4 | 11 | 4 | 12.5 | 1 | 814 | 280 |
| F604 | Відкриті фланцеві кулькові підшипники | 4 | 12 | 4 | 13.5 | 1 | 814 | 280 |
| F604 2rs | Запечатані фланцеві кулькові підшипники | 4 | 12 | 5 | 13.5 | 1 | 814 | 280 |
| F604zz | Запечатані фланцеві кулькові підшипники | 4 | 12 | 5 | 13.5 | 1 | 814 | 280 |
| F624 | Відкриті фланцеві кулькові підшипники | 4 | 13 | 5 | 15 | 1 | 1106 | 390 |
| F624 2RS | Запечатані фланцеві кулькові підшипники | 4 | 13 | 5 | 15 | 1 | 1106 | 390 |
| F624zz | Запечатані фланцеві кулькові підшипники | 4 | 13 | 5 | 15 | 1 | 1106 | 390 |
| F634 | Відкриті фланцеві кулькові підшипники | 4 | 16 | 5 | 18 | 1 | 1139 | 418 |
| F634 2rs | Запечатані фланцеві кулькові підшипники | 4 | 16 | 5 | 18 | 1 | 1139 | 418 |
| F634zz | Запечатані фланцеві кулькові підшипники | 4 | 16 | 5 | 18 | 1 | 1139 | 418 |
| MF85 | Відкриті фланцеві кулькові підшипники | 5 | 8 | 2 | 9.2 | 0.6 | 262 | 96 |
| MF85 2RS | Запечатані фланцеві кулькові підшипники | 5 | 8 | 2.5 | 9.2 | 0.6 | 185 | 72 |
| Mf85zz | Запечатані фланцеві кулькові підшипники | 5 | 8 | 2.5 | 9.2 | 0.6 | 185 | 72 |
| MF95 | Відкриті фланцеві кулькові підшипники | 5 | 9 | 2.5 | 10.2 | 0.6 | 366 | 135 |
| MF95 2RS | Запечатані фланцеві кулькові підшипники | 5 | 9 | 3 | 10.2 | 0.6 | 366 | 135 |
| Mf95zz | Запечатані фланцеві кулькові підшипники | 5 | 9 | 3 | 10.2 | 0.6 | 366 | 135 |
| MF105 | Відкриті фланцеві кулькові підшипники | 5 | 10 | 3 | 11.2 | 0.6 | 366 | 135 |
| MF105 2RS | Запечатані фланцеві кулькові підшипники | 5 | 10 | 4 | 11.6 | 0.8 | 366 | 135 |
| Mf105zz | Запечатані фланцеві кулькові підшипники | 5 | 10 | 4 | 11.6 | 0.8 | 366 | 135 |
| MF115 2RS | Запечатані фланцеві кулькові підшипники | 5 | 11 | 4 | 12.6 | 0.8 | 609 | 226 |
| Mf115zz | Екрановані фланцеві кулькові підшипники | 5 | 11 | 4 | 12.6 | 0.8 | 609 | 226 |
| MF115 | Відкриті фланцеві кулькові підшипники | 5 | 11 | 4 | 12.6 | 0.8 | 609 | 226 |
| F685 | Відкриті фланцеві кулькові підшипники | 5 | 11 | 3 | 12.5 | 0.8 | 609 | 226 |
| F685 2rs | Запечатані фланцеві кулькові підшипники | 5 | 11 | 5 | 12.5 | 1 | 609 | 226 |
| F685zz | Запечатані фланцеві кулькові підшипники | 5 | 11 | 5 | 12.5 | 1 | 609 | 226 |
| F695 | Відкриті фланцеві кулькові підшипники | 5 | 13 | 4 | 15 | 1 | 916 | 346 |
| F695 2rs | Запечатані фланцеві кулькові підшипники | 5 | 13 | 4 | 15 | 1 | 916 | 346 |
| F695zz | Запечатані фланцеві кулькові підшипники | 5 | 13 | 4 | 15 | 1 | 916 | 346 |
| F605 | Відкриті фланцеві кулькові підшипники | 5 | 14 | 5 | 16 | 1 | 1130 | 406 |
| F605 2rs | Запечатані фланцеві кулькові підшипники | 5 | 14 | 5 | 16 | 1 | 1130 | 406 |
| F605zz | Запечатані фланцеві кулькові підшипники | 5 | 14 | 5 | 16 | 1 | 1130 | 406 |
| F625 | Відкриті фланцеві кулькові підшипники | 5 | 16 | 5 | 18 | 1 | 1470 | 540 |
| F625 2rs | Запечатані фланцеві кулькові підшипники | 5 | 16 | 5 | 18 | 1 | 1470 | 540 |
| F625zz | Запечатані фланцеві кулькові підшипники | 5 | 16 | 5 | 18 | 1 | 1470 | 540 |
| F635 | Відкриті фланцеві кулькові підшипники | 5 | 19 | 6 | 22 | 1.5 | 1986 | 717 |
| F635 2rs | Запечатані фланцеві кулькові підшипники | 5 | 19 | 6 | 22 | 1.5 | 1986 | 717 |
| F635zz | Запечатані фланцеві кулькові підшипники | 5 | 19 | 6 | 22 | 1.5 | 1986 | 717 |
| MF106 | Відкриті фланцеві кулькові підшипники | 6 | 10 | 2.5 | 11.2 | 0.6 | 422 | 174 |
| MF106 2RS | Запечатані фланцеві кулькові підшипники | 6 | 10 | 3 | 11.2 | 0.6 | 422 | 174 |
| Mf106zz | Запечатані фланцеві кулькові підшипники | 6 | 10 | 3 | 11.2 | 0.6 | 422 | 174 |
| MF126 | Відкриті фланцеві кулькові підшипники | 6 | 12 | 3 | 13.2 | 0.6 | 609 | 236 |
| MF126 2RS | Запечатані фланцеві кулькові підшипники | 6 | 12 | 4 | 13.6 | 0.8 | 609 | 236 |
| MF126ZZ | Запечатані фланцеві кулькові підшипники | 6 | 12 | 4 | 13.6 | 0.8 | 609 | 236 |
| F686 | Відкриті фланцеві кулькові підшипники | 6 | 13 | 3.5 | 15 | 1 | 920 | 354 |
| F686 2rs | Запечатані фланцеві кулькові підшипники | 6 | 13 | 5 | 15 | 1.1 | 920 | 354 |
| F686zz | Запечатані фланцеві кулькові підшипники | 6 | 13 | 5 | 15 | 1.1 | 920 | 354 |
| F696 | Відкриті фланцеві кулькові підшипники | 6 | 15 | 5 | 17 | 1.2 | 1139 | 418 |
| F696 2rs | Запечатані фланцеві кулькові підшипники | 6 | 15 | 5 | 17 | 1.2 | 1139 | 418 |
| F696zz | Запечатані фланцеві кулькові підшипники | 6 | 15 | 5 | 17 | 1.2 | 1139 | 418 |
| F606 | Відкриті фланцеві кулькові підшипники | 6 | 17 | 6 | 19 | 1.2 | 1924 | 677 |
| F606 2rs | Запечатані фланцеві кулькові підшипники | 6 | 17 | 6 | 19 | 1.2 | 1924 | 677 |
| F606zz | Запечатані фланцеві кулькові підшипники | 6 | 17 | 6 | 19 | 1.2 | 1924 | 677 |
| F626 | Відкриті фланцеві кулькові підшипники | 6 | 19 | 6 | 22 | 1.5 | 1986 | 717 |
| F626 2RS | Запечатані фланцеві кулькові підшипники | 6 | 19 | 6 | 22 | 1.5 | 1986 | 717 |
| F626zz | Запечатані фланцеві кулькові підшипники | 6 | 19 | 6 | 22 | 1.5 | 1986 | 717 |
| MF117 | Відкриті фланцеві кулькові підшипники | 7 | 11 | 2.5 | 12.2 | 0.6 | 387 | 162 |
| MF117 2RS | Запечатані фланцеві кулькові підшипники | 7 | 11 | 3 | 12.2 | 0.6 | 387 | 162 |
| Mf117zz | Запечатані фланцеві кулькові підшипники | 7 | 11 | 3 | 12.2 | 0.6 | 387 | 162 |
| MF137 | Відкриті фланцеві кулькові підшипники | 7 | 13 | 3 | 14.2 | 0.6 | 460 | 221 |
| MF137 2RS | Запечатані фланцеві кулькові підшипники | 7 | 13 | 4 | 14.6 | 0.8 | 460 | 221 |
| Mf137zz | Запечатані фланцеві кулькові підшипники | 7 | 13 | 4 | 14.6 | 0.8 | 460 | 221 |
| F687 | Відкриті фланцеві кулькові підшипники | 7 | 14 | 3.5 | 16 | 1 | 997 | 410 |
| F687 2rs | Запечатані фланцеві кулькові підшипники | 7 | 14 | 5 | 16 | 1.1 | 997 | 410 |
| F687zz | Запечатані фланцеві кулькові підшипники | 7 | 14 | 5 | 16 | 1.1 | 997 | 410 |
| F697 | Відкриті фланцеві кулькові підшипники | 7 | 17 | 5 | 19 | 1.2 | 1364 | 575 |
| F697 2rs | Запечатані фланцеві кулькові підшипники | 7 | 17 | 5 | 19 | 1.2 | 1364 | 575 |
| F697zz | Запечатані фланцеві кулькові підшипники | 7 | 17 | 5 | 19 | 1.2 | 1364 | 575 |
| F607 | Відкриті фланцеві кулькові підшипники | 7 | 19 | 6 | 22 | 1.5 | 1986 | 717 |
| F607 2rs | Запечатані фланцеві кулькові підшипники | 7 | 19 | 6 | 22 | 1.5 | 1986 | 717 |
| F607zz | Запечатані фланцеві кулькові підшипники | 7 | 19 | 6 | 22 | 1.5 | 1986 | 717 |
| F627 | Відкриті фланцеві кулькові підшипники | 7 | 22 | 7 | 25 | 1.5 | 2794 | 1103 |
| F627 2rs | Запечатані фланцеві кулькові підшипники | 7 | 22 | 7 | 25 | 1.5 | 2794 | 1103 |
| F627zz | Запечатані фланцеві кулькові підшипники | 7 | 22 | 7 | 25 | 1.5 | 2794 | 1103 |
| MF128 | Відкриті фланцеві кулькові підшипники | 8 | 12 | 2.5 | 13.2 | 0.6 | 462 | 219 |
| MF128 2RS | Запечатані фланцеві кулькові підшипники | 8 | 12 | 3.5 | 13.6 | 0.8 | 462 | 219 |
| MF128ZZ | Запечатані фланцеві кулькові підшипники | 8 | 12 | 3.5 | 13.6 | 0.8 | 462 | 219 |
| MF148 | Відкриті фланцеві кулькові підшипники | 8 | 14 | 3.5 | 15.6 | 0.8 | 695 | 309 |
| MF148 2RS | Запечатані фланцеві кулькові підшипники | 8 | 14 | 4 | 15.6 | 0.8 | 695 | 309 |
| Mf148zz | Запечатані фланцеві кулькові підшипники | 8 | 14 | 4 | 15.6 | 0.8 | 695 | 309 |
| F688 | Відкриті фланцеві кулькові підшипники | 8 | 16 | 4 | 18 | 1 | 1064 | 474 |
| F688 2rs | Запечатані фланцеві кулькові підшипники | 8 | 16 | 5 | 18 | 1.1 | 1064 | 474 |
| F688zz | Запечатані фланцеві кулькові підшипники | 8 | 16 | 5 | 18 | 1.1 | 1064 | 474 |
| F698 | Відкриті фланцеві кулькові підшипники | 8 | 19 | 6 | 22 | 1.5 | 1902 | 734 |
| F698 2rs | Запечатані фланцеві кулькові підшипники | 8 | 19 | 6 | 22 | 1.5 | 1902 | 734 |
| F698zz | Запечатані фланцеві кулькові підшипники | 8 | 19 | 6 | 22 | 1.5 | 1902 | 734 |
| F608 | Відкриті фланцеві кулькові підшипники | 8 | 22 | 7 | 25 | 1.5 | 2799 | 1103 |
| F608 2rs | Запечатані фланцеві кулькові підшипники | 8 | 22 | 7 | 25 | 1.5 | 2799 | 1103 |
| F608zz | Запечатані фланцеві кулькові підшипники | 8 | 22 | 7 | 25 | 1.5 | 2799 | 1103 |
| F679 | Відкриті фланцеві кулькові підшипники | 9 | 14 | 3 | 15.5 | 0.8 | 781 | 374 |
| F679 2rs | Запечатані фланцеві кулькові підшипники | 9 | 14 | 4.5 | 15.5 | 0.8 | 781 | 374 |
| F679zz | Запечатані фланцеві кулькові підшипники | 9 | 14 | 4.5 | 15.5 | 0.8 | 781 | 374 |
| F689 | Відкриті фланцеві кулькові підшипники | 9 | 17 | 4 | 19 | 1 | 1128 | 534 |
| F689 2rs | Запечатані фланцеві кулькові підшипники | 9 | 17 | 5 | 19 | 1.1 | 1128 | 534 |
| F689zz | Запечатані фланцеві кулькові підшипники | 9 | 17 | 5 | 19 | 1.1 | 1128 | 534 |
| F699 | Відкриті фланцеві кулькові підшипники | 9 | 20 | 6 | 23 | 1.5 | 2097 | 865 |
| F699 2rs | Запечатані фланцеві кулькові підшипники | 9 | 20 | 6 | 23 | 1.5 | 2097 | 865 |
| F699zz | Запечатані фланцеві кулькові підшипники | 9 | 20 | 6 | 23 | 1.5 | 2097 | 865 |
| F609 | Відкриті фланцеві кулькові підшипники | 9 | 24 | 7 | 27 | 1.5 | 2853 | 1155 |
| F609 2rs | Запечатані фланцеві кулькові підшипники | 9 | 24 | 7 | 27 | 1.5 | 2853 | 1155 |
| F609zz | Запечатані фланцеві кулькові підшипники | 9 | 24 | 7 | 27 | 1.5 | 2853 | 1155 |
Про нас Yinin
Застосування в галузі
Новини
Зв яжіться з нами
Технічні консультації
Індивідуальні рішення
Постійні дослідження та розробки
Контроль якості
Технічна підтримка та навчання
Швидка відповідь
Якщо у вас є будь-які технічні консультації або відгуки, ми надамо вам найпрофесійнішу відповідь якомога швидше!