30300 серії Конічний ролик
30300 серії Конічний ролик
30300 серії Конічний ролик

30300 серії

Конічний роликський підшипник серії 30300-це високопродуктивна котяча підшипник, широко використовується в промислових машинах, автомобілях та важкій техніці. Ця серія підшипників приймає конічну конструкцію роликів, яка може витримати великі осьові та радіальні навантаження, і має високу точність обертання та опір зносу. Його внутрішня структура оптимізована для ефективного зменшення тертя та тепла, тим самим продовжуючи термін служби. Підшипники серії 30300 зазвичай виготовляються з високоякісної легкої сталі, з тонкою поверхневою обробкою та термічною обробкою для поліпшення їх міцності та довговічності. Ця серія підшипників також має хороші ущільнювальні показники, що може ефективно запобігти вторгненню зовнішніх забруднюючих речовин та адаптуватися до різних суворих робочих умов.

Надіслати запит

Параметри продукту

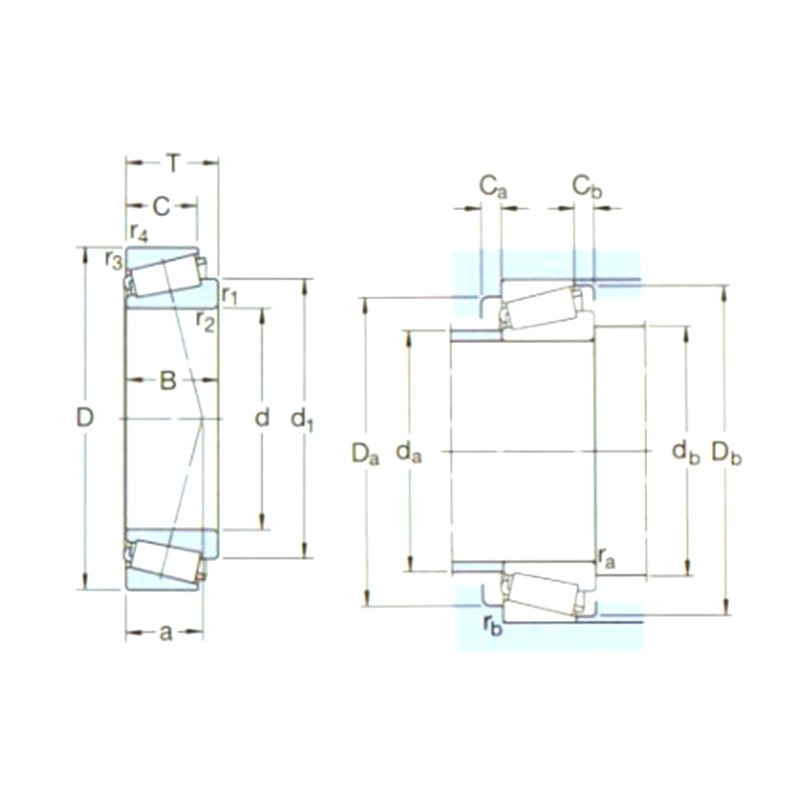
Призначення Основні розміри (MM) Основні показники навантаження (KN) Пу Рейтинги швидкості (RPM) Вага (кг) ISO335 Розміри (MM) Розміри абатмента та філе (мм) Цінність
Р.1 D Б DУC (CR) STC (COR) Швидкість оцінки Обмежуюча швидкість Розміри (AБMA) р. D1 ~ B C R1,2 (хв) R3,4 (хв) da (макс) БД (хв) DA (хв) Da (макс) БД (хв) CA (хв) CB (хв) ra (макс) rb (max) Е Y Йо
30303J2 17 47 15,25 28,1 25 2,75 12000 16000 0,13 2FB 17 30,4 14 12 1 1 10 25 23 40 41 42 2 3 1 1 0,28 2,1 1,1
32303J2/Q 17 47 20,25 40 33,5 3,65 12000 16000 0,17 2fd 17 30,7 19 16 1 1 12 24 23 39 41 43 3 4 1 1 0,28 2,1 1,1
30304J2/Q 20 52 16,25 39 32,5 3,6 12000 14000 0,17 2FB 20 34,3 15 13 1,5 1,5 11 28 27 44 45 47 2 3 1,5 1,5 0,3 2 1,1
30305J2 25 62 18,25 44,6 43 4,75 9000 12000 0,26 2FB 25 41,5 17 15 1,5 1,5 13 34 32 54 55 57 2 3 1,5 1,5 0,3 2 1,1
30306J2/Q 30 72 20,75 64 56 6,4 8000 10000 0,39 2FB 30 48,4 19 16 1,5 1,5 15 41 37 62 65 66 3 4,5 1,5 1,5 0,31 1,9 1,1
30307J2/Q 35 80 22,75 83 73,5 8,3 7500 9000 0,52 2FB 35 54,5 21 18 2 1,5 16 46 44 70 71 74 3 4,5 2 1,5 0,31 1,9 1,1
30308J2/Q 40 90 25,25 100 95 10,8 6300 8000 0,72 2FB 40 62,5 23 20 2 1,5 19 53 49 77 81 82 3 5 2 1,5 0,35 1,7 0,9
30309J2/Q 45 100 27,25 125 120 14,3 5600 7000 0,97 2FB 45 70,1 25 22 2 1,5 21 59 53 86 91 92 3 5 2 1,5 0,35 1,7 0,9
30310J2/Q 50 110 29,25 143 140 16,6 5300 6300 1,25 2FB 50 77,2 27 23 2,5 2 23 65 60 95 100 102 4 6 2 2 0,35 1,7 0,9
30311J2/Q 55 120 31,5 166 163 19,3 4800 5600 1,55 2FB 55 84 29 25 2,5 2 24 71 65 104 112 111 4 6,5 2 2 0,35 1,7 0,9
30312J2/Q 60 130 33,5 168 196 23,6 4000 5300 1,95 2FB 60 91,9 31 26 3 2,5 26 77 72 112 118 120 5 7,5 2,5 2 0,35 1,7 0,9
30313J2/Q 65 140 36 194 228 27,5 3600 4800 2,40 2 Гб 65 98,6 33 28 3 2,5 28 84 77 122 128 130 5 8 2,5 2 0,35 1,7 0,9
30314J2/Q 70 150 38 220 260 31 3400 4500 290 2 Гб 70 105 35 30 3 2,5 29 90 82 130 138 140 5 8 2,5 2 0,35 1,7 0,9
30315J2/Q 75 160 40 246 290 34 3200 4300 3,45 2 Гб 75 112 37 31 3 2,5 31 96 87 139 148 149 5 9 2,5 2 0,35 1,7 0,9
30316J2 80 170 42,5 270 320 38 3000 4300 4,10 2 Гб 80 120 39 33 3 2,5 33 102 92 148 158 159 5 9,5 2,5 2 0,35 1,7 0,9
30317J2 85 180 44,5 303 365 40,5 2800 4000 4,85 2 Гб 85 126 41 34 4 3 35 107 99 156 166 167 6 10,5 3 2,5 0,35 1,7 0,9
30318J2 90 190 46,5 330 400 44 2600 4000 5,65 2 Гб 90 132 43 36 4 3 36 113 105 165 176 176 6 10,5 3 2,5 0,35 1,7 0,9
30319 95 200 49,5 330 390 42,5 2600 3400 6,70 2 Гб 95 139 45 38 4 3 39 118 110 172 186 184 6 11,5 3 2,5 0,35 1,7 0,9
30320J2 100 215 51,5 402 490 53 2400 3200 8,05 2 Гб 100 148 47 39 4 3 40 127 115 184 201 197 6 12,5 3 2,5 0,35 1,7 0,9
30322J2 110 240 54,5 473 585 62 2200 2800 11,0 2 Гб 110 165 50 42 4 3 43 142 125 206 226 220 8 12,5 3 2,5 0,35 1,7 0,9
30324J2 120 260 59,5 561 710 73,5 2000 2600 14,0 2 Гб 120 178 55 46 4 3 47 153 135 221 245 237 7 13,5 3 2,5 0,35 1,7 0,9
30326J2 130 280 63,75 627 800 83 1800 2400 17,0 2 Гб 130 196 58 49 5 4 51 164 150 239 263 255 8 14,5 4 3 0,35 1,7 0,9
33030 150 225 59 457 865 86,5 2000 2600 8,15 2EE 150 188 59 46 3 2,5 48 164 162 200 213 217 8 13 2,5 2 0,37 1,6 0,9
30332J2 160 340 75 913 1180 114 1500 2000 29,0 2 Гб 160 233 68 58 5 4 61 201 180 290 323 310 9 17 4 3 0,35 1,7 0,9
30352J2 260 540 113 2120 3050 250 850 1200 110 - 260 376 102 85 6 6 97 325 286 461 514 493 15 28 5 5 0,35 1,7 0,9

Про нас Yinin

Компанія Shanghai Yinin підшипника та трансмісії Заснована у 2009 році, маємо понад 20 років досвіду роботи в галузі підшипників. Ми є Китай 30300 серії Конічний ролик Виробником Та пропонуємо Індивідуалізовані 30300 серії Конічний ролик Завод. З 1999 року ми виступаємо агентом китайських виробників підшипників, експортуючи різні підшипники. Сьогодні ми перетворилися на комплексну групу підшипників, що об єднує продажі та виробництво.

Застосування в галузі

Підшипники також відіграють дуже важливу роль у сільськогосподарській техніці. Вони використовуют...

Підшипники широко використовуються в автомобілях. Вони є ключовими підтримуючими та обертовими ча...

Використовується для підтримки, висоти, кута, стику та обертових частин медичного обладнання.

Використовується для підтримки, обертання, моторних та компресорних частин побутової техніки.

Використовується для обертання та руху підтримки та направляючих частин обладнання для автоматиза...

У будівельних конструкціях підшипники можна використовувати для з'єднання різних конструкцій...

У процесі виробництва продуктів харчування та напоїв для транспортування газів використовуються н...

Підшипники використовуються в двигунах літаків та космічних кораблів для підтримки обертових комп...

2026-03-26

What are the Structural Advantages of Using an Angular ...
In high-precision mechanical engineering, the choice between integrated components and modular assemblies often determines the ultimate stability of the system. For rotational applications requiring h...

2026-03-19

Why Is Your 6000 Ball Bearing Overheating, and How Can ...
In the realm of precision rotating machinery, the 6000 ball bearing is a ubiquitous component, favored for its ability to handle both radial and axial loads in a compact 10x26x8mm footprint. However, ...

2026-03-12

Why are Food-Grade Stainless Steel Deep Groove Ball Bea...
In the high-stakes environment of food and beverage manufacturing, mechanical reliability and biological safety are inseparable. The choice of stainless steel deep groove ball bearings is a critical e...

Зв яжіться з нами

SUBMIT

Технічні консультації

  • Компанія Shanghai Yinin підшипника та трансмісії

    Індивідуальні рішення

  • Компанія Shanghai Yinin підшипника та трансмісії

    Постійні дослідження та розробки

  • Компанія Shanghai Yinin підшипника та трансмісії

    Контроль якості

  • Компанія Shanghai Yinin підшипника та трансмісії

    Технічна підтримка та навчання

  • Компанія Shanghai Yinin підшипника та трансмісії

    Швидка відповідь

Якщо у вас є будь-які технічні консультації або відгуки, ми надамо вам найпрофесійнішу відповідь якомога швидше!

Зв яжіться з нами