31300 серії Конічний ролик
31300 серії Конічний ролик
31300 серії Конічний ролик

31300 серії

Серія конічних роликів із серіями 31300-це підшипники з високою вантажопідйомністю та відмінною стійкістю до зносу, і широко використовуються в різних промислових обладнаннях та машинах. Ця серія підшипників приймає конічну конструкцію роликів і може витримати радіальні та осьові навантаження. Він підходить для використання у середовищах високого навантаження та високошвидкісних операцій. Її структурні особливості включають конічні контактні поверхні на внутрішніх та зовнішніх кільцях, забезпечуючи точне розміщення між роликами та доріжками, тим самим зменшуючи тертя та генерацію тепла. Матеріал підшипників серії 31300, як правило, високоякісна легальна сталь, яка обробляється тепловою обробкою для підвищення твердості та довговічності. Крім того, цей підшипник також має хороші можливості самовирівнювання, що може компенсувати відхилення, спричинені неналежною установкою або згинанням валів, продовжуючи термін служби. Загальні сфери застосування включають автомобільну промисловість, гірничу техніку, металургійне обладнання та аерокосмічний простір.

Надіслати запит

Параметри продукту

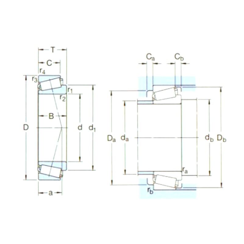
Призначення Основні розміри (MM) Основні показники навантаження (KN) Пу Рейтинги швидкості (RPM) Вага (кг) ISO335 Розміри (MM) Розміри абатмента та філе (мм) Цінність
Р.1 D Б DУC (CR) STC (COR) Швидкість оцінки Обмежуюча швидкість Розміри (AБMA) р. D1 ~ B C R1,2 (хв) R3,4 (хв) da (макс) БД (хв) DA (хв) Da (макс) БД (хв) CA (хв) CB (хв) ra (макс) rb (max) Е Y Йо
31305J2 25 62 18,25 38 40 4,4 7500 11000 0,26 7FB 25 45,8 17 13 1,5 1,5 20 34 32 47 55 59 3 5 1,5 1,5 0,83 0,72 0,4
31306J2/Q 30 72 20,75 55 50 5,7 7500 9500 0,39 7FB 30 52,7 19 14 1,5 1,5 22 40 37 55 65 68 3 6,5 1,5 1,5 0,83 0,72 0,4
31307J2/Q 35 80 22,75 71 67 7,8 6300 8500 0,52 7FB 35 59,6 21 15 2 1,5 25 45 44 62 71 76 3 7,5 2 1,5 0,83 0,72 0,4
31308J2/qcl7c 40 90 25,25 85 81,5 9,5 5600 7500 0,72 7FB 40 67,1 23 17 2 1,5 28 51 49 71 81 86 3 8 2 1,5 0,83 0,72 0,4
31309J2/qcl7c 45 100 27,25 106 102 12,5 5000 6700 0,95 7FB 45 74,7 25 18 2 1,5 31 57 53 79 91 95 4 9 2 1,5 0,83 0,72 0,4
31310J2/qcl7c 50 110 29,25 122 120 14,3 4500 6000 1,20 7FB 50 81,5 27 19 2,5 2 34 62 60 87 100 104 4 10 2 2 0,83 0,72 0,4
31311J2/qcl7c 55 120 31,5 140 137 16,6 4300 5600 1,55 7FB 55 88,4 29 21 2,5 2 37 68 65 94 112 113 4 10,5 2 2 0,83 0,72 0,4
31312J2/qcl7c 60 130 33,5 166 166 20,4 3800 5300 1,90 7FB 60 95,9 31 22 3 2,5 39 74 72 103 118 123 5 11,5 2,5 2 0,83 0,72 0,4
31313J2/qcl7c 65 140 36 190 193 23,6 3600 4800 2,35 7 Гб 65 103 33 23 3 2,5 42 80 77 111 128 132 5 13 2,5 2 0,83 0,72 0,4
31314J2/qcl7c 70 150 38 216 220 27 3400 4500 295 7 Гб 70 110 35 25 3 2,5 45 85 82 118 138 141 5 13 2,5 2 0,83 0,72 0,4
31315J2/qcl7c 75 160 40 240 245 29 3200 4300 3,50 7 Гб 75 116 37 26 3 2,5 48 91 87 127 148 151 6 14 2,5 2 0,83 0,72 0,4
31316J1/qcl7c 80 170 42,5 260 265 32 3000 4000 4,05 7 Гб 80 124 39 27 3 2,5 52 97 92 134 158 159 6 15,5 2,5 2 0,83 0,72 0,4
31317J2 85 180 44,5 242 285 33,5 2600 3800 4,60 7 Гб 85 131 41 28 4 3 55 103 99 143 166 169 6 16,5 3 2,5 0,83 0,72 0,4
31318J2 90 190 46,5 264 315 36,5 2400 3400 5,90 7 Гб 90 138 43 30 4 3 57 109 105 151 176 179 5 16,5 3 2,5 0,83 0,72 0,4
31319J2 95 200 49,5 292 355 39 2400 3400 6,95 7 Гб 95 145 45 32 4 3 60 114 110 157 186 187 5 17,5 3 2,5 0,83 0,72 0,4
31320XJ2/CL7CVQ051 100 215 56,5 430 465 51 2400 3000 8,60 7 Гб 100 158 51 35 4 3 65 121 115 168 201 202 7 21,5 3 2,5 0,83 0,72 0,4
31322xj2 110 240 63 457 585 62 1900 2800 12,0 7 Гб 110 176 57 38 4 3 72 135 125 188 226 224 7 25 3 2,5 0,83 0,72 0,4
31324xj2 120 260 68 539 695 73,5 1700 2400 15,5 7 Гб 120 190 62 42 4 3 78 145 135 203 245 244 9 26 3 2,5 0,83 0,72 0,4
31326xj2 130 280 72 605 780 81,5 1600 2400 18,5 7 Гб 130 204 66 44 5 4 84 157 150 218 263 261 8 28 4 3 0,83 0,72 0,4
31328xj2 140 300 77 693 900 88 1500 2200 24,5 7 Гб 140 219 70 47 5 4 90 169 160 235 283 280 9 30 4 3 0,83 0,72 0,4
31330xj2 150 320 82 781 1020 100 1400 2000 29,5 7 Гб 150 234 75 50 5 4 96 181 170 251 303 300 9 32 4 3 0,83 0,72 0,4

Про нас Yinin

Компанія Shanghai Yinin підшипника та трансмісії Заснована у 2009 році, маємо понад 20 років досвіду роботи в галузі підшипників. Ми є Китай 31300 серії Конічний ролик Виробником Та пропонуємо Індивідуалізовані 31300 серії Конічний ролик Завод. З 1999 року ми виступаємо агентом китайських виробників підшипників, експортуючи різні підшипники. Сьогодні ми перетворилися на комплексну групу підшипників, що об єднує продажі та виробництво.

Застосування в галузі

Підшипники також відіграють дуже важливу роль у сільськогосподарській техніці. Вони використовуют...

Підшипники широко використовуються в автомобілях. Вони є ключовими підтримуючими та обертовими ча...

Використовується для підтримки, висоти, кута, стику та обертових частин медичного обладнання.

Використовується для підтримки, обертання, моторних та компресорних частин побутової техніки.

Використовується для обертання та руху підтримки та направляючих частин обладнання для автоматиза...

У будівельних конструкціях підшипники можна використовувати для з'єднання різних конструкцій...

У процесі виробництва продуктів харчування та напоїв для транспортування газів використовуються н...

Підшипники використовуються в двигунах літаків та космічних кораблів для підтримки обертових комп...

2026-02-26

Які критичні відмінності між класами точності P6 і P5 д...
У високоточному світі обробки з цифровим програмним керуванням (ЧПК) продуктивність Шариковий підшипник 6000 є фундаментальним для досягнення субмікронної точності. Як робоча конячка Рад...

2026-02-19

Технічний аналіз: які основні відмінності між радіальни...
У галузі високоточного машинобудування вибір правильного матеріалу для радіальні шарикопідшипники з нержавіючої сталі це рішення, яке визначає термін експлуатації та безпеку всього об...

2026-02-12

Чи потрібен кульковий підшипник 6200 з нержавіючої стал...
У галузі техніки обертового руху серія 6200 є одним із найбільш широко використовуваних радіальних кулькових підшипників завдяки своїй універсальності та оптимізованій радіальній навантажувальній з...

Зв яжіться з нами

SUBMIT

Технічні консультації

  • Компанія Shanghai Yinin підшипника та трансмісії

    Індивідуальні рішення

  • Компанія Shanghai Yinin підшипника та трансмісії

    Постійні дослідження та розробки

  • Компанія Shanghai Yinin підшипника та трансмісії

    Контроль якості

  • Компанія Shanghai Yinin підшипника та трансмісії

    Технічна підтримка та навчання

  • Компанія Shanghai Yinin підшипника та трансмісії

    Швидка відповідь

Якщо у вас є будь-які технічні консультації або відгуки, ми надамо вам найпрофесійнішу відповідь якомога швидше!

Зв яжіться з нами