32200 серії Конічний ролик
32200 серії Конічний ролик
32200 серії Конічний ролик

32200 серії

32200 конічні роликові підшипники - важливий тип підшипника, широко використовується в промисловому та механічному обладнанні. Особливістю дизайну цієї серії підшипників є те, що контактні поверхні внутрішніх та зовнішніх кільця конічні, що дозволяє їм витримати великі радіальні та осьові навантаження і підходить для роботи при високому навантаженні та високій швидкості. Підшипники серії 32200 зазвичай виготовляються з високоякісних матеріалів з легкої легкої сталі та мають хорошу стійкість до зносу та стійкість до втоми, продовжуючи термін служби. Основні області застосування включають автомобілі, верстат, гірниче обладнання та інші важкі машини. Стандартизований розмір та дизайн серії полегшують встановлення та заміну, забезпечуючи зручність для обслуговування та управління обладнанням.

Надіслати запит

Параметри продукту

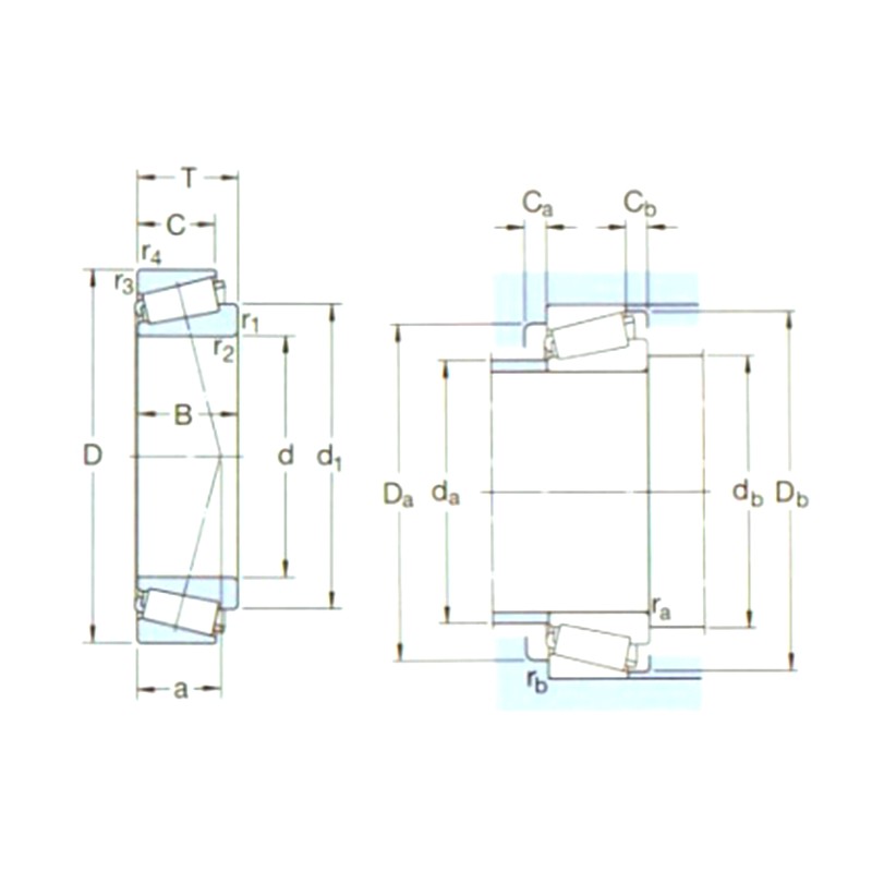
Призначення Основні розміри (MM) Основні показники навантаження (KN) Пу Рейтинги швидкості (RPM) Вага (кг) ISO335 Розміри (MM) Розміри абатмента та філе (мм) Цінність
Р.1 D Б DУC (CR) STC (COR) Швидкість оцінки Обмежуюча швидкість Розміри (AБMA) р. D1 ~ B C R1,2 (хв) R3,4 (хв) da (макс) БД (хв) DA (хв) Da (макс) БД (хв) CA (хв) CB (хв) ra (макс) rb (max) Е Y Йо
32205BJ2/Q 25 52 19,25 41,5 44 4,65 10000 13000 0,19 5CD 25 40,2 18 15 1 1 16 30 31 41 46 50 3 4 1 1 0,57 1,05 0,6
322/28BJ2/Q 28 58 20,25 48 50 5,5 9500 12000 0,25 5dd 28 43,9 19 16 1 1 17 33 34 46 52 55 3 4 1 1 0,57 1,05 0,6
32206J2/Q 30 62 21,25 58,5 57 6,3 9000 11000 0,28 3DC 30 45,2 20 17 1 1 15 37 36 52 56 58 3 4 1 1 0,37 1,6 0,9
32206BJ2/QCl7CVA606 30 62 21,25 56 58,5 6,55 9000 11000 0,30 5DC 30 47,3 20 17 1 1 18 36 36 50 56 60 3 4 1 1 0,57 1,05 0,6
32207J2/Q 35 72 24,25 76,5 78 8,5 8000 9500 0,43 3DC 35 52,4 23 19 1,5 1,5 17 43 42 61 65 67 3 5 1,5 1,5 0,37 1,6 0,9
32208J2/Q 40 80 24,75 85 86,5 9,8 7000 8500 0,53 3DC 40 58,4 23 19 1,5 1,5 19 49 47 68 73 75 3 5,5 1,5 1,5 0,37 1,6 0,9
32208BJ2/Q 40 80 24,75 86,5 93 10,8 6700 8500 0,52 5DC 40 60,9 23 19 1,5 1,5 22 49 47 65 73 76 4 5,5 1,5 1,5 0,54 1,1 0,6
32209J2/Q 45 85 24,75 91,5 98 11 6300 8000 0,58 3DC 45 64 23 19 1,5 1,5 20 54 52 73 78 80 3 5,5 1,5 1,5 0,4 1,5 0,8
32210/45BJ2/QVB022 45 90 24,75 95 104 12,2 6000 8000 0,65 - 45 68,5 23 19 1,5 0,3 21 58 52 78 87 85 3 5,5 1,5 0,3 0,6 1 0,6
32210J2/Q 50 90 24,75 95 100 11,4 6000 7500 0,61 3DC 50 68,5 23 19 1,5 1,5 21 58 57 78 83 85 3 5,5 1,5 1,5 0,43 1,4 0,8
32211J2/Q 55 100 26,75 106 129 15 5000 6700 0,83 3DC 55 75,2 25 21 2 1,5 22 64 64 87 93 95 4 5,5 2 1,5 0,4 1,5 0,8
32212J2/Q 60 110 29,75 146 160 18,6 5000 6000 1,15 3ec 60 81,9 28 24 2 1,5 24 69 68 95 103 104 4 5,5 2 1,5 0,4 1,5 0,8
32212BJ2/Q 60 110 29,75 140 156 19 4800 6000 1,15 - 60 85,7 28 21 2 1,5 28 69 98 93 103 105 5 8,5 2 1,5 0,57 1,05 0,6
32213J2/Q 65 120 32,75 151 193 22,8 4000 5600 1,50 3ec 65 90,3 31 27 2 1,5 27 76 74 104 113 115 4 5,5 2 1,5 0,4 1,5 0,8
32214J2/Q 70 125 33,25 157 208 24,5 3800 5300 1,60 3ec 70 95 31 27 2 1,5 28 80 78 108 115 119 4 6 2 1,5 0,43 1,4 0,8
32215J2/Q 75 130 33,25 161 212 24,5 3600 5000 170 4DC 75 100 31 27 2 1,5 29 85 84 114 122 125 4 6 2 1,5 0,43 1,4 0,8
32216J2/Q 80 140 35,25 187 245 28,5 3400 4500 2,05 3ec 80 106 33 28 2,5 2 30 91 90 122 130 134 5 7 2 2 0,43 1,4 0,8
32217J2/Q 85 150 38,5 212 285 33,5 3200 4300 2,60 3ec 85 113 36 30 2,5 2 33 97 95 130 140 142 5 8,5 2 2 0,43 1,4 0,8
32218J2/Q 90 160 42,5 251 340 38 3000 4000 3,35 3FC 90 121 40 34 2,5 2 36 102 101 138 150 152 5 8,5 2 2 0,43 1,4 0,8
32219J2 95 170 45,5 281 390 43 2800 3800 4,05 3FC 95 128 43 37 3 2,5 39 109 107 145 158 161 5 8,5 2,5 2 0,43 1,4 0,8
32220J2 100 180 49 319 440 48 2600 3600 4,90 3FC 100 135 46 39 3 2,5 41 115 112 154 168 171 5 10 2,5 2 0,43 1,4 0,8
32221J2 105 190 53 358 510 55 2600 3400 6,00 3FC 105 143 50 43 3 2,5 44 120 117 161 178 180 6 10 2,5 2 0,43 1,4 0,8
32222J2 110 200 56 402 570 61 2400 3200 7,10 3FC 110 151 53 46 3 2,5 46 127 122 170 188 190 6 10 2,5 2 0,43 1,4 0,8
32322 110 240 84,5 627 830 86,5 1900 2800 17,0 2GD 110 168 80 65 4 3 55 137 125 198 226 222 9 19,5 3 2,5 0,35 1,7 0,9
32224J2 120 215 61,5 468 695 72 2200 3000 9,15 4fd 120 163 58 50 3 2,5 51 137 132 181 203 204 7 11,5 2,5 2 0,43 1,4 0,8
32226J2 130 230 67,75 550 830 85 2000 2800 11,5 4fd 130 176 64 54 4 3 56 146 146 193 216 219 7 13,5 3 2,5 0,43 1,4 0,8
32228J2 140 250 71,75 644 1000 100 1900 2600 14,5 4fd 140 191 68 58 4 3 60 159 156 210 236 238 8 13,5 3 2,5 0,43 1,4 0,8
32230J2 150 270 77 737 1140 112 1700 2400 17,5 4GD 150 205 73 60 4 3 64 171 166 226 256 254 8 17 3 2,5 0,43 1,4 0,8
32232J2 160 290 84 880 1400 132 1600 2200 25,5 4GD 160 221 80 67 4 3 70 183 176 242 275 274 10 17 3 2,5 0,43 1,4 0,8
32234J2 170 310 91 1010 1630 150 1500 2000 28,5 4GD 170 237 86 71 5 4 75 196 190 259 293 294 10 20 4 3 0,43 1,4 0,8
32236J2 180 320 91 1010 1630 150 1400 1900 29,5 4GD 180 247 86 71 5 4 78 204 200 267 303 303 10 20 4 3 0,44 1,35 0,8
32240J2 200 360 104 1210 2000 180 1300 1700 42,5 3GD 200 274 98 82 5 4 83 231 220 302 343 340 11 22 4 3 0,4 1,5 0,8
32244J2 220 400 114 1610 2700 232 1100 1500 60,0 - 220 306 108 90 5 4 95 253 242 334 383 379 13 24 4 3 0,43 1,4 0,8
32248J3 240 440 127 1790 3350 275 1000 1400 83,5 - 240 346 120 100 5 4 105 290 262 365 420 415 13 27 4 3 0,43 1,4 0,8
32252J2/HA1 260 480 137 2200 3650 300 900 1200 105 - 260 366 130 106 6 5 112 303 286 401 458 454 16 31 5 4 0,43 1,4 0,8
32260J2/HA1 300 540 149 2750 4750 365 800 1100 140 - 300 413 140 115 6 5 126 343 326 453 518 511 17 34 5 4 0,43 1,4 0,8

Про нас Yinin

Компанія Shanghai Yinin підшипника та трансмісії Заснована у 2009 році, маємо понад 20 років досвіду роботи в галузі підшипників. Ми є Китай 32200 серії Конічний ролик Виробником Та пропонуємо Індивідуалізовані 32200 серії Конічний ролик Завод. З 1999 року ми виступаємо агентом китайських виробників підшипників, експортуючи різні підшипники. Сьогодні ми перетворилися на комплексну групу підшипників, що об єднує продажі та виробництво.

Застосування в галузі

Підшипники також відіграють дуже важливу роль у сільськогосподарській техніці. Вони використовуют...

Підшипники широко використовуються в автомобілях. Вони є ключовими підтримуючими та обертовими ча...

Використовується для підтримки, висоти, кута, стику та обертових частин медичного обладнання.

Використовується для підтримки, обертання, моторних та компресорних частин побутової техніки.

Використовується для обертання та руху підтримки та направляючих частин обладнання для автоматиза...

У будівельних конструкціях підшипники можна використовувати для з'єднання різних конструкцій...

У процесі виробництва продуктів харчування та напоїв для транспортування газів використовуються н...

Підшипники використовуються в двигунах літаків та космічних кораблів для підтримки обертових комп...

2026-03-26

What are the Structural Advantages of Using an Angular ...
In high-precision mechanical engineering, the choice between integrated components and modular assemblies often determines the ultimate stability of the system. For rotational applications requiring h...

2026-03-19

Why Is Your 6000 Ball Bearing Overheating, and How Can ...
In the realm of precision rotating machinery, the 6000 ball bearing is a ubiquitous component, favored for its ability to handle both radial and axial loads in a compact 10x26x8mm footprint. However, ...

2026-03-12

Why are Food-Grade Stainless Steel Deep Groove Ball Bea...
In the high-stakes environment of food and beverage manufacturing, mechanical reliability and biological safety are inseparable. The choice of stainless steel deep groove ball bearings is a critical e...

Зв яжіться з нами

SUBMIT

Технічні консультації

  • Компанія Shanghai Yinin підшипника та трансмісії

    Індивідуальні рішення

  • Компанія Shanghai Yinin підшипника та трансмісії

    Постійні дослідження та розробки

  • Компанія Shanghai Yinin підшипника та трансмісії

    Контроль якості

  • Компанія Shanghai Yinin підшипника та трансмісії

    Технічна підтримка та навчання

  • Компанія Shanghai Yinin підшипника та трансмісії

    Швидка відповідь

Якщо у вас є будь-які технічні консультації або відгуки, ми надамо вам найпрофесійнішу відповідь якомога швидше!

Зв яжіться з нами