Серія 32300 Конічний ролик
Серія 32300 Конічний ролик
Серія 32300 Конічний ролик

Серія 32300

The Конічні роликові підшипники серії 32300 - це роз'ємні підшипники великої ємності, призначені для одночасного керування значними радіальними та осьовими навантаженнями. Ця серія має круту внутрішню геометрію, де контактні кути внутрішньої доріжки кочення (конуса), зовнішньої доріжки кочення (чашки) і конічних роликів сходяться на загальній вершині на осі підшипника. Ця спеціальна конструкція забезпечує справжнє кочення та низьке тертя під час роботи. Серія 32300, виготовлена ​​з високочистої хромованої сталі, характеризується більшим поперечним перерізом і збільшеним діаметром ролика порівняно зі стандартною серією, що забезпечує підвищену вантажопідйомність і структурну жорсткість. Ці підшипники зазвичай встановлюються парами для досягнення двонаправленого осьового обмеження, що робить їх основними компонентами механічних трансмісій потужності та вузлів мостів транспортних засобів.

Надіслати запит

Технічні характеристики та профіль продуктивності: Конічні роликові підшипники серії 32300

Основні технічні переваги

  • Комбіноване керування навантаженням: Розроблено для підтримки великої тяги та радіальних сил за допомогою оптимізації конічні контактні кути .
  • Роздільні компоненти: Чашка та конус (ролики та сепаратор) встановлюються незалежно один від одного, що полегшує технічне обслуговування точне регулювання зазору .
  • Висока стабільність розмірів: Спеціальні процеси термічної обробки забезпечують збереження підшипника геометричні допуски при змінних теплових умовах.
  • Низьке робоче тертя: Доріжки кочення з прецизійним шліфуванням мінімізують шорсткість поверхні, зменшуючи крутний момент і накопичення тепла під час високошвидкісне обертання .

Технічні характеристики

Специфікація матеріалу GCr15 Високовуглецева хромована сталь
Матеріал клітки Пресована сталь/механічна латунь (залежить від застосування)
Клас точності P0 (звичайний), P6, P5
Тип завантаження Односпрямований осьовий високорадіальний
Діапазон температур -30°C до 120°C (стандартне змащення)

Основні сценарії застосування

  • Автомобільні силові агрегати: Маточини коліс важких вантажівок, диференціали , і системи передачі.
  • Промислове обладнання: Первинні компоненти в редуктори КПП , прокатні стани та гірниче обладнання.
  • Будівельне обладнання: Інтегрується в вузли головної передачі екскаваторів і бульдозерів, які потребують стійкість до ударних навантажень .
  • Сільськогосподарська інженерія: Високонапружені шарнірні точки та приводні вали в тракторах і збиральній техніці.

Протоколи встановлення та обслуговування

Зберігання та транспортування

Підшипники слід зберігати в чистому, сухому середовищі з a постійна температура для запобігання конденсації вологи. Оригінальне захисне мастильне покриття повинно залишатися недоторканим; не видаляйте антикорозійна упаковка до моменту монтажу. Щоб запобігти, уникайте вертикального штабелювання вище вказаної висоти еліптична деформація кілець.

Застереження щодо використання

  • Регулювання осьового зазору: Під час складання, кінцевий запуск або попереднє навантаження повинні бути точно встановлені відповідно до специфікацій виробника, щоб уникнути передчасної втоми або перегріву.
  • Контроль забруднення: Переконайтеся, що корпус і вал вільні від абразивних часток; використовувати сумісні ущільнювачі для підтримки чистоти мастила на відкритому повітрі або в запиленому середовищі.
  • Вибір мастила: використання Присадки для екстремального тиску (EP). у мастилах для застосувань із сильними ударними навантаженнями для підтримки достатньої масляної плівки між роликами та доріжками кочення.
  • Перевірка вирівнювання: Забезпечити концентричність валу до корпусу знаходиться в межах визначених меж, щоб запобігти крайньому навантаженню на конічні ролики.

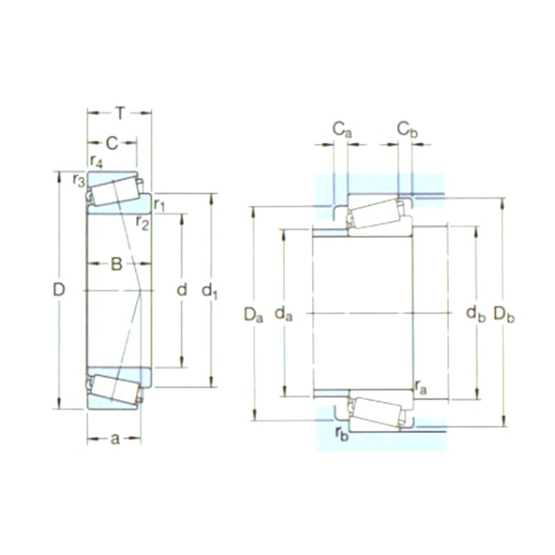
Параметри продукту

Позначення Основні розміри(мм) Номінальне навантаження(KN) Pu Рейтинг швидкості (об/хв) Вага (кг) ISO335 Розміри (мм) Розміри абатмента та філе (мм) Значення
d1 Д Б dyc(Cr) stc(Cor) Рейтинги швидкості Обмеження швидкості Дimensions (ABMA) d d1~ Б C r1,2(хв) r3,4(хв) a da (макс.) дБ (мін) Дa(min) Дa(max) Дb(min) Ca (хв.) Cb (хв.) ra (макс.) rb (макс.) д Ю Юo
32303J2/Q 17 47 20,25 40 33,5 3,65 12000 16000 0,17 2FD 17 30,7 19 16 1 1 12 24 23 39 41 43 3 4 1 1 0,28 2,1 1,1
32304J2/Q 20 52 22,25 51 45,5 5 12000 14000 0,23 2FD 20 34,5 21 18 1,5 1,5 14 27 27 43 45 47 3 4 1,5 1,5 0,3 2 1,1
32305J2 25 62 25,25 60,5 63 7,1 8000 12000 0,36 2FD 25 41,7 24 20 1,5 1,5 15 33 32 52 55 57 3 5 1,5 1,5 0,3 2 1,1
32306J2/Q 30 72 28,75 88 85 9,65 7500 10000 0,55 2FD 30 48,7 27 23 1,5 1,5 18 39 37 59 65 66 3 5,5 1,5 1,5 0,31 1,9 1,1
32307J2/Q 35 80 32,75 95,2 106 12,2 6700 9000 0,73 2FE 35 54,8 31 25 2 1,5 20 44 44 66 71 74 4 7,5 2 1,5 0,31 1,9 1,1
32307BJ2/Q 35 80 32,75 93,5 114 13,2 6300 8500 0,80 5FE 35 59,3 31 25 2 1,5 24 42 44 61 71 76 4 7,5 2 1,5 0,54 1,1 0,6
32307/37BJ2/Q 37 80 32,75 93,5 114 13,2 6300 8500 0,85 - 37 54,8 31 25 2 1,5 20 44 44 66 71 74 4 7,5 2 1,5 0,54 1,1 0,6
32308J2/Q 40 90 35,25 117 140 16 5300 8000 1,00 2FD 40 62,9 33 27 2 1,5 23 51 49 73 81 82 3 8 2 1,5 0,35 1,7 0,9
32309J2/Q 45 100 38,25 140 170 20,4 4800 7000 1,35 2FD 45 70,4 36 30 2 1,5 25 57 53 82 91 93 4 8 2 1,5 0,35 1,7 0,9
32309BJ2/QCL7C 45 100 38,25 156 176 20 5000 6700 1,45 5FD 45 74,8 36 30 2 1,5 30 55 53 76 91 94 5 8 2 1,5 0,54 1,1 0,6
32310J2/Q 50 110 42,25 172 212 24 4300 6300 1,80 2FD 50 77,7 40 33 2,5 2 27 63 60 90 100 102 5 9 2 2 0,35 1,7 0,9
32310TN9 50 110 42,25 172 212 24 4300 6300 1,80 2FD 50 77,7 40 33 2,5 2 27 63 60 90 100 102 5 9 2 2 0,35 1,7 0,9
32310BJ2/QCL7C 50 110 42,25 183 216 24,5 4500 6000 1,85 5FD 50 82,9 40 33 2,5 2 34 62 60 83 100 103 5 9 2 2 0,54 1,1 0,6
32311J2 55 120 45,5 198 250 28,5 4000 5600 2,30 2FD 55 84,6 43 35 2,5 2 29 68 65 99 112 111 5 10,5 2 2 0,35 1,7 0,9
32311BJ2/QCL7C 55 120 45,5 216 260 30 4300 5600 2,50 5FD 55 90,5 43 35 2,5 2 36 67 65 91 112 112 5 10,5 2 2 0,54 1,1 0,6
32312J2/Q 60 130 48,5 229 290 34 3600 5300 2,85 2FD 60 91,7 46 37 3 2,5 31 74 72 107 118 120 6 11,5 2,5 2 0,35 1,7 0,9
32312BJ2/QCL7C 60 130 48,5 255 305 35,5 3800 5000 2,80 5FD 60 98,1 46 37 3 2,5 38 73 72 99 118 122 6 11,5 2,5 2 0,54 1,1 0,6
32313J2/Q 65 140 51 264 335 40 3400 4800 3,45 2GD 65 99,2 48 39 3 2,5 33 80 77 117 128 130 6 12 2,5 2 0,35 1,7 0,9
32313BJ2/QU4CL7CVQ267 65 140 51 285 345 40,5 3600 4800 3,35 5GD 65 105 48 39 3 2,5 41 79 77 107 128 131 6 12 2,5 2 0,54 1,1 0,6
32314J2/Q 70 150 54 297 380 45 3200 4500 4,30 2GD 70 106 51 42 3 2,5 36 86 82 125 138 140 6 12 2,5 2 0,35 1,7 0,9
32314BJ2/QCL7C 70 150 54 325 400 46,5 3400 4300 4,25 5GD 70 113 51 42 3 2,5 44 85 82 115 138 141 7 12 2,5 2 0,54 1,1 0,6
32315J2 75 160 58 336 440 51 3000 4300 5,20 2GD 75 113 55 45 3 2,5 38 92 87 133 148 149 7 13 2,5 2 0,35 1,7 0,9
32315BJ2/QCL7C 75 160 58 380 475 55 3200 4000 5,55 5GD 75 120 55 45 3 2,5 46 90 87 124 148 151 7 13 2,5 2 0,54 1,1 0,6
32316J2 80 170 61,5 380 500 57 3000 4300 6,20 2GD 80 120 58 48 3 2,5 41 98 92 142 158 159 7 13,5 2,5 2 0,35 1,7 0,9
32317J2 85 180 63,5 402 530 60 2800 4000 6,85 2GD 85 126 60 49 4 3 42 103 99 150 166 167 7 14,5 3 2,5 0,35 1,7 0,9
32317BJ2 85 180 63,5 391 560 62 2800 4000 7,50 5GD 85 135 60 49 4 3 52 102 99 138 166 169 7 14,5 3 2,5 0,54 1,1 0,6
32318J2 90 190 67,5 457 610 67 2600 4000 8,40 2GD 90 133 64 53 4 3 44 109 105 157 176 177 7 14,5 3 2,5 0,35 1,7 0,9
32319J2 95 200 71,5 501 670 72 2400 3400 11,0 2GD 95 141 67 55 4 3 47 115 110 166 186 186 8 16,5 3 2,5 0,35 1,7 0,9
32320J2 100 215 77,5 572 780 83 2200 3000 12,5 2GD 100 151 73 60 4 3 51 123 115 177 201 200 8 17,5 3 2,5 0,35 1,7 0,9
32321J2 105 225 81,5 605 815 85 2000 3000 14,5 2GD 105 158 77 63 4 3 53 129 120 185 211 209 9 18,5 3 2,5 0,35 1,7 0,9
32322 110 240 84,5 627 830 86,5 1900 2800 17,0 2GD 110 168 80 65 4 3 55 137 125 198 226 222 9 19,5 3 2,5 0,35 1,7 0,9
32324J2 120 260 90,5 792 1120 110 1800 2600 21,5 2GD 120 181 86 69 4 3 60 148 135 213 245 239 9 21,5 3 2,5 0,35 1,7 0,9

Про нас Yinin

Компанія Shanghai Yinin підшипника та трансмісії Заснована у 2009 році, маємо понад 20 років досвіду роботи в галузі підшипників. Ми є Китай Серія 32300 Конічний ролик Виробником Та пропонуємо Індивідуалізовані Серія 32300 Конічний ролик Завод. З 1999 року ми виступаємо агентом китайських виробників підшипників, експортуючи різні підшипники. Сьогодні ми перетворилися на комплексну групу підшипників, що об єднує продажі та виробництво.

Застосування в галузі

Підшипники також відіграють дуже важливу роль у сільськогосподарській техніці. Вони використовуют...

Підшипники широко використовуються в автомобілях. Вони є ключовими підтримуючими та обертовими ча...

Використовується для підтримки, висоти, кута, стику та обертових частин медичного обладнання.

Використовується для підтримки, обертання, моторних та компресорних частин побутової техніки.

Використовується для обертання та руху підтримки та направляючих частин обладнання для автоматиза...

У будівельних конструкціях підшипники можна використовувати для з'єднання різних конструкцій...

У процесі виробництва продуктів харчування та напоїв для транспортування газів використовуються н...

Підшипники використовуються в двигунах літаків та космічних кораблів для підтримки обертових комп...

2026-04-30

Підшипники з нержавіючої сталі: іржа, механічна обробка...
Підшипники з нержавіючої сталі є одними з найбільш широко використовуваних підшипникових матеріалів у промислових і споживчих товарах. Вони забезпечують хорошу корозійну стійкість у більшості...

2026-04-23

Інженерні стратегії для оптимізації терміну служби раді...
Shanghai Yinin Bearing & Transmission Company, створена як промислове та торговельне інтегроване підприємство з 2016 року, спеціалізується на комплексному проектуванні та виробництві високоякісних ...

2026-04-15

Як вибрати правильний внутрішній зазор для радіально-уп...
Вплив високих швидкостей обертання на зазор підшипника Відцентрова сила і теплове розширення : у високошвидкісних програмах внутрішнє кільце ан радіально-упорний дворядний куль...

Зв яжіться з нами

SUBMIT

Технічні консультації

  • Компанія Shanghai Yinin підшипника та трансмісії

    Індивідуальні рішення

  • Компанія Shanghai Yinin підшипника та трансмісії

    Постійні дослідження та розробки

  • Компанія Shanghai Yinin підшипника та трансмісії

    Контроль якості

  • Компанія Shanghai Yinin підшипника та трансмісії

    Технічна підтримка та навчання

  • Компанія Shanghai Yinin підшипника та трансмісії

    Швидка відповідь

Якщо у вас є будь-які технічні консультації або відгуки, ми надамо вам найпрофесійнішу відповідь якомога швидше!

Зв яжіться з нами