Домашній / Продукція / Ролик / Конічний ролик / Зовнішнє кільце з серіями фланців
Зовнішнє кільце з серіями фланців Конічний ролик
Зовнішнє кільце з серіями фланців Конічний ролик
Зовнішнє кільце з серіями фланців Конічний ролик

Зовнішнє кільце з серіями фланців

Серія конічних роликових підшипників з фланцевими зовнішніми кільцями - це високоефективні підшипники прокатки, розроблені для протистояння осьовим та радіальним навантаженням. Його зовнішнє кільце оснащене фланцем, який може бути ефективно фіксованим і розташованим, підвищуючи стабільність підшипника у високих навантаженнях та суворих робочих умовах. Структура конічної ролика дозволяє йому витримувати великі радіальні навантаження, а також осьові навантаження. Він підходить для важких машин, автомобілів, авіації та інших полів. Конструкція кута контакту цього підшипника збільшує вантажопідйомність та термін служби, зменшуючи тертя та вироблення тепла. При правильному змащенні та технічному обслуговуванні конічні роликові підшипники з фланцем на зовнішньому кільці можуть забезпечити плавну роботу в роботі та надійну ефективність роботи, і є незамінним ключовим компонентом сучасного механічного обладнання.

Надіслати запит

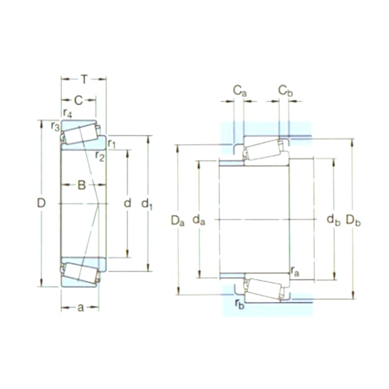
Параметри продукту

Призначення Основні розміри (MM) Основні показники навантаження (KN) Пу Рейтинги швидкості (RPM) Вага (кг) Розміри (MM) Розміри абатмента та філе (мм) Цінність
Р.1 D Б DУC (CR) STC (COR) Швидкість оцінки Обмежуюча швидкість р. D1 ~ D1 Б C C1 R1,2 (хв) R3,4 (хв) da (макс) БД (хв) ra (макс) Е Y Йо
32008XR/QVA621 40 68 19 60 71 7,65 7500 9500 0,27 40 54,2 72 19 14,5 3,5 1 1 15 46 46 1 0,37 1,6 0,9
30208RJ2/Q 40 80 19,75 71 68 7,65 7000 8500 0,42 40 57,5 85 18 16 4 1,5 1,5 16 49 47 1 0,37 1,6 0,9
33209R/Q 45 85 32 108 143 16,3 5300 7500 0,85 45 65,2 90 32 25 5 1,5 1,5 22 52 52 1 0,4 1,5 0,8
32309BRJ2/QCL7C 45 100 38,25 156 176 20 5000 6700 1,50 45 74,8 106 36 30 7 2 1,5 30 55 54 1,5 0,54 1,1 0,6
32311BRJ2/QCL7C 55 120 45,5 216 260 30 4300 5600 2,50 55 90,5 127 43 35 8 2,5 2 36 67 65 2 0,54 1,1 0,6
33113R/Q 65 110 34 142 208 24 4300 5600 1,30 65 87,9 116 34 26,5 5,5 1,5 1,5 26 74 72 1 0,4 1,5 0,8
30313RJ2 65 140 36 194 228 27,5 3600 4800 2,40 65 98,3 147 33 28 6 3 2,5 28 84 77 2 0,35 1,7 0,9
30313RJ2 65 140 36 194 228 27,5 3600 4800 2,40 65 98,3 147 33 28 6 3 2,5 28 84 77 2 0,35 1,7 0,9

Про нас Yinin

Компанія Shanghai Yinin підшипника та трансмісії Заснована у 2009 році, маємо понад 20 років досвіду роботи в галузі підшипників. Ми є Китай Зовнішнє кільце з серіями фланців Конічний ролик Виробником Та пропонуємо Індивідуалізовані Зовнішнє кільце з серіями фланців Конічний ролик Завод. З 1999 року ми виступаємо агентом китайських виробників підшипників, експортуючи різні підшипники. Сьогодні ми перетворилися на комплексну групу підшипників, що об єднує продажі та виробництво.

Застосування в галузі

Підшипники також відіграють дуже важливу роль у сільськогосподарській техніці. Вони використовуют...

Підшипники широко використовуються в автомобілях. Вони є ключовими підтримуючими та обертовими ча...

Використовується для підтримки, висоти, кута, стику та обертових частин медичного обладнання.

Використовується для підтримки, обертання, моторних та компресорних частин побутової техніки.

Використовується для обертання та руху підтримки та направляючих частин обладнання для автоматиза...

У будівельних конструкціях підшипники можна використовувати для з'єднання різних конструкцій...

У процесі виробництва продуктів харчування та напоїв для транспортування газів використовуються н...

Підшипники використовуються в двигунах літаків та космічних кораблів для підтримки обертових комп...

2026-02-26

Які критичні відмінності між класами точності P6 і P5 д...
У високоточному світі обробки з цифровим програмним керуванням (ЧПК) продуктивність Шариковий підшипник 6000 є фундаментальним для досягнення субмікронної точності. Як робоча конячка Рад...

2026-02-19

Технічний аналіз: які основні відмінності між радіальни...
У галузі високоточного машинобудування вибір правильного матеріалу для радіальні шарикопідшипники з нержавіючої сталі це рішення, яке визначає термін експлуатації та безпеку всього об...

2026-02-12

Чи потрібен кульковий підшипник 6200 з нержавіючої стал...
У галузі техніки обертового руху серія 6200 є одним із найбільш широко використовуваних радіальних кулькових підшипників завдяки своїй універсальності та оптимізованій радіальній навантажувальній з...

Зв яжіться з нами

SUBMIT

Технічні консультації

  • Компанія Shanghai Yinin підшипника та трансмісії

    Індивідуальні рішення

  • Компанія Shanghai Yinin підшипника та трансмісії

    Постійні дослідження та розробки

  • Компанія Shanghai Yinin підшипника та трансмісії

    Контроль якості

  • Компанія Shanghai Yinin підшипника та трансмісії

    Технічна підтримка та навчання

  • Компанія Shanghai Yinin підшипника та трансмісії

    Швидка відповідь

Якщо у вас є будь-які технічні консультації або відгуки, ми надамо вам найпрофесійнішу відповідь якомога швидше!

Зв яжіться з нами