51100 серії Витягування кулькового підшипника
51100 серії Витягування кулькового підшипника
51100 серії Витягування кулькового підшипника

51100 серії

Підшипник з тяги 51100 - це підшипник, спеціально розроблений для витримки осьових навантажень і широко використовується в машинах, автомобілях, авіації та інших полях. Ця серія підшипників складається з внутрішнього кільця, зовнішнього кільця та набору сфер. Конструкція сфер дозволяє плавне обертання під великими навантаженнями. Серія 51100 має відмінну вантажопідйомність та стійкість до зносу, і підходить для роботи в умовах високошвидкісних та низьких шуму. Ця серія продуктів зазвичай використовується в додатках, які потребують точного позиціонування та високої надійності, таких як двигуни, редуктори та інше обертальне обладнання. Крім того, 51100 підшипників з тяги в серії легко встановити та обслуговувати, і їх можна використовувати з іншими типами підшипників для задоволення різних потреб інженерії.

Надіслати запит

Параметри продукту

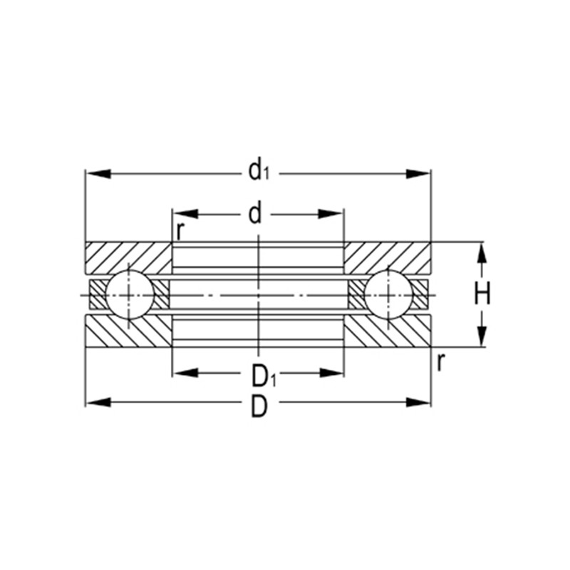
Призначення Основні розміри (мм) Основні показники навантаження (KN) Обмежена швидкість (об / хв) Вага
р. Р. Т Динамічний (CR) Статичний (Кор) Змастити Нафта (кг)
51103 17 30 9 10.8 18.2 5300 7500 0.024
51104 20 35 10 14.2 24.5 4800 6700 0.036
51105 25 42 11 15.2 30.2 4300 6000 0.055
51106 30 47 11 16 34.2 4000 5600 0.062
51107 35 52 12 18.2 41.5 3800 5300 0.077
51108 40 60 13 26.8 62.8 3400 4800 0.11
51109 45 65 14 27 66 3200 4500 0.14
51110 50 70 14 27.2 69.2 3000 4300 0.15
51111 55 78 16 33.8 89.2 2800 4000 0.22
51112 60 85 17 40.2 108 2600 3800 0.27
51113 65 90 18 40.5 112 2400 3600 0.31
51114 70 95 18 40.8 115 2200 3400 0.33
51115 75 100 19 48.2 140 2000 3200 0.38
51116 80 105 19 48.5 145 1900 3000 0.4

Про нас Yinin

Компанія Shanghai Yinin підшипника та трансмісії Заснована у 2009 році, маємо понад 20 років досвіду роботи в галузі підшипників. Ми є Китай 51100 серії Витягування кулькового підшипника Виробником Та пропонуємо Індивідуалізовані 51100 серії Витягування кулькового підшипника Завод. З 1999 року ми виступаємо агентом китайських виробників підшипників, експортуючи різні підшипники. Сьогодні ми перетворилися на комплексну групу підшипників, що об єднує продажі та виробництво.

Застосування в галузі

Підшипники також відіграють дуже важливу роль у сільськогосподарській техніці. Вони використовуют...

Підшипники широко використовуються в автомобілях. Вони є ключовими підтримуючими та обертовими ча...

Використовується для підтримки, висоти, кута, стику та обертових частин медичного обладнання.

Використовується для підтримки, обертання, моторних та компресорних частин побутової техніки.

Використовується для обертання та руху підтримки та направляючих частин обладнання для автоматиза...

У будівельних конструкціях підшипники можна використовувати для з'єднання різних конструкцій...

У процесі виробництва продуктів харчування та напоїв для транспортування газів використовуються н...

Підшипники використовуються в двигунах літаків та космічних кораблів для підтримки обертових комп...

2026-02-26

Які критичні відмінності між класами точності P6 і P5 д...
У високоточному світі обробки з цифровим програмним керуванням (ЧПК) продуктивність Шариковий підшипник 6000 є фундаментальним для досягнення субмікронної точності. Як робоча конячка Рад...

2026-02-19

Технічний аналіз: які основні відмінності між радіальни...
У галузі високоточного машинобудування вибір правильного матеріалу для радіальні шарикопідшипники з нержавіючої сталі це рішення, яке визначає термін експлуатації та безпеку всього об...

2026-02-12

Чи потрібен кульковий підшипник 6200 з нержавіючої стал...
У галузі техніки обертового руху серія 6200 є одним із найбільш широко використовуваних радіальних кулькових підшипників завдяки своїй універсальності та оптимізованій радіальній навантажувальній з...

Зв яжіться з нами

SUBMIT

Технічні консультації

  • Компанія Shanghai Yinin підшипника та трансмісії

    Індивідуальні рішення

  • Компанія Shanghai Yinin підшипника та трансмісії

    Постійні дослідження та розробки

  • Компанія Shanghai Yinin підшипника та трансмісії

    Контроль якості

  • Компанія Shanghai Yinin підшипника та трансмісії

    Технічна підтримка та навчання

  • Компанія Shanghai Yinin підшипника та трансмісії

    Швидка відповідь

Якщо у вас є будь-які технічні консультації або відгуки, ми надамо вам найпрофесійнішу відповідь якомога швидше!

Зв яжіться з нами