Серія LFR Трек -роликові підшипники
Серія LFR Трек -роликові підшипники
Серія LFR Трек -роликові підшипники

Серія LFR

Орбітальні підшипники орбітальних роликів LFR спеціально розроблені для високих вимог до навантаження та високої продуктивності та широко використовуються в інженерних машинах, гірничодобувному обладнанні, важкій техніці та інших полях. Ця серія підшипників використовує спеціальні матеріали та вдосконалені виробничі процеси, щоб мати відмінну вантажопідйомність та стійкість до зносу, що може ефективно зменшити тертя та споживання енергії та продовжити термін служби. Серія LFR має різноманітні технічні характеристики та типи для задоволення потреб різних середовищ додатків. Крім того, його унікальний дизайн полегшує установку та технічне обслуговування, скорочуючи час простою обладнання. Незалежно від високої температури, вологого або запиленого середовища, орбітальні підшипники серії LFR працюють добре, забезпечуючи стабільну роботу та ефективну продуктивність обладнання.

Надіслати запит

Параметри продукту

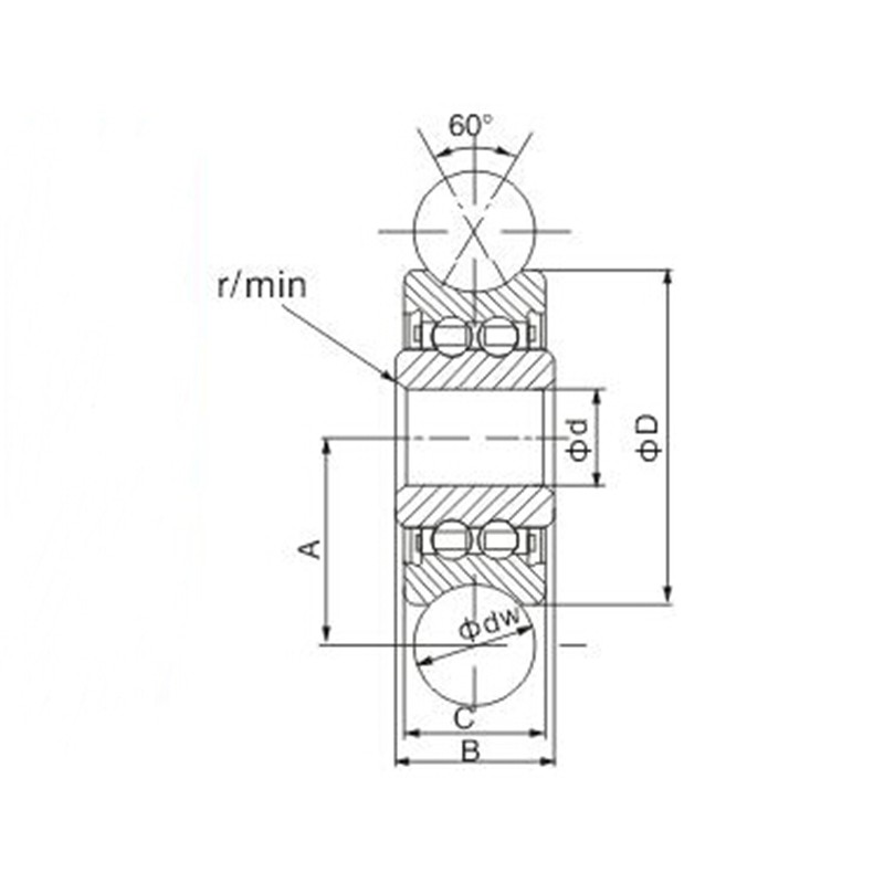
Тип колеса Вага Розміри (мм) Навантаження (KN)
Німеччина Італія Внутрішня модель (g) Р.W р. D C Б rs CW Корова
LFR 50/5-4 N 4 5 16 7 5 18 6.9 0 2.02 0.93 8
LFR 50/5-5 5 5 17 7 5 20 6.9 0 2.02 0.93 8
LFR 50/5 N 6 5 17 7 5 21 6.9 0 2.02 0.93 8
LFR 50/8 N 6 8 24 11 7 28 12.3 0 3.67 2.28 25
LFR 50/8-8 N 8 8 24 11 7 29 12.3 0 3.67 2.28 25
LFR 50/4 АЕС - - 3.5 5 4 13 6 7 8.04 0.2 1.05 0.85
LFR 50/5-4 KDD LFR50/5KDD-4 R 50/5-4 ZZ 7.5 4 5 16 7 8 9 0.2 1.2 0.86
LFR 50/5-4 АЕС LFR50/5NPP-4 R 50/5-4 2RS 7.5 4 5 16 7 8 9 0.2 1.2 0.86
LFR 50/5 KDD LFR50/5KDD R 50/5-6 ZZ 8 6 5 17 7 8 10.5 0.2 1.27 0.82
LFR 50/5 АЕС LFR50/5NPP R 50/5-6 2RS 8 6 5 17 7 8 10.5 0.2 1.27 0.82
LFR 50/8 KDD LFR50/8KDD R 50/8-6 ZZ 24 6 8 24 11 11 14 0.3 3.67 2.28
LFR 50/8 АЕС LFR50/8NPP R 50/8-6 2RS 24 6 8 24 11 11 14 0.3 3.67 2.28
LFR 50/8-8 KDD - - 24 8 8 24 11 11 14.8 0.3 3.67 2.28
LFR 50/8-8 АЕС - - 24 8 8 24 11 11 14.8 0.3 3.67 2.28
LFR 30/8 KDD - - 31 10 8 27 11 13 16.7 0.3 3.67 2.28
LFR 30/8 АЕС - - 31 10 8 27 11 13 16.7 0.3 3.67 2.28
LFR 5201 KDD LFR5201KDD R 5201-10 ZZ 68 10 12 35 16 16 20.7 0.3 8.5 5.1
LFR 5201 NPP LFR5201NPP R 5201-10 2RS 68 10 12 35 16 16 20.7 0.3 8.5 5.1
LFR 5301 KDD LFR5301KDD R 5301-10 ZZ 130 10 12 42 19 19 24 0.6 13 7.7
LFR 5301 АЕС LFR5301NPP R 5301-10 2RS 130 10 12 42 19 19 24 0.6 13 7.7
LFR 5301-20 KDD - - 125 20 12 42 19 19 28 0.6 13 7.7
LFR 5301-20 АЕС - - 125 20 12 42 19 19 28 0.6 13 7.7
LFR 5302 KDD LFR5302KDD R 5302-10 ZZ 163 10 15 47 19 19 26.7 1 16.2 9.2
LFR 5302 АЕС LFR5302NPP R 5302-10 2RS 163 10 15 47 19 19 26.7 1 16.2 9.2
LFR 5201-12 KDD LFR5201-12KDD R 5201-12 ZZ 68 12 12 35 16 16 21.8 0.3 8.4 5
LFR 5201-12 АЕС LFR5201-12NPP R 5201-12 2RS 68 12 12 35 16 16 21.8 0.3 8.4 5
LFR 5201-14 KDD LFR5201-14KDD R 5201-14 ZZ 107 14 12 40 18 20 24 0.3 8.9 5
LFR 5201-14 АЕС LFR5201-14NPP R 5201-14 2RS 107 14 12 40 18 20 24 0.3 8.9 5
LFR 5201-10.40 KDD - - 115 10 12 40 18 20 22 0.3 8.9 5
LFR 5201-10.40 NPP - - 115 10 12 40 18 20 22 0.3 8.9 5
LFR 5204-16 KDD* LFR5204-16KDD R 5204-16 ZZ 195 16 20 52 21 23 31.5 0.6 16.8 9.5
LFR 5204-16 NPP* LFR5204-16NPP R 5204-16 2RS 195 16 20 52 21 23 31.5 0.6 16.8 9.5
LFR 5206-20 KDD* LFR5206-20KDD R 5206-20 ZZ 435 20 25 72 24 26 41 0.6 29.5 16.6
LFR 5206-20 АЕС* LFR5206-20NPP R 5206-20 2RS 435 20 25 72 24 26 41 0.6 29.5 16.6
LFR 5206-25 KDD* LFR5206-25KDD R 5206-25 ZZ 425 25 25 72 24 26 43.5 0.6 29.2 16.4
LFR 5206-25 АЕС* LFR5206-25NPP R 5206-25 2RS 425 25 25 72 24 26 43.5 0.6 29.2 16.4
LFR 5207-30 KDD* LFR5207-30KDD R 5207-30 ZZ 660 30 30 80 27 29 51 1 38 20.8
LFR 5207-30 АЕС* LFR5207-30NPP R 5207-30 2RS 660 30 30 80 27 29 51 1 38 20.8
LFR 5208-40 KDD* LFR5208-40KDD R 5208-40 ZZ 1360 40 40 98 36 38 62.5 1 54.8 29
LFR 5208-40 NPP* LFR5208-40NPP R 5208-40 2RS 1360 40 40 98 36 38 62.5 1 54.8 29
LFR 5308-50 KDD* LFR5308-50KDD R 5308-50 ZZ 1400 50 40 ## 44 46 72.5 1.1 53 39.5
LFR 5308-50 АЕС* LFR5308-50NPP R 5308-50 2RS 1400 50 40 ## 44 46 72.5 1.1 53 39.5

Про нас Yinin

Компанія Shanghai Yinin підшипника та трансмісії Заснована у 2009 році, маємо понад 20 років досвіду роботи в галузі підшипників. Ми є Китай Серія LFR Трек -роликові підшипники Виробником Та пропонуємо Індивідуалізовані Серія LFR Трек -роликові підшипники Завод. З 1999 року ми виступаємо агентом китайських виробників підшипників, експортуючи різні підшипники. Сьогодні ми перетворилися на комплексну групу підшипників, що об єднує продажі та виробництво.

Застосування в галузі

Підшипники також відіграють дуже важливу роль у сільськогосподарській техніці. Вони використовуют...

Підшипники широко використовуються в автомобілях. Вони є ключовими підтримуючими та обертовими ча...

Використовується для підтримки, висоти, кута, стику та обертових частин медичного обладнання.

Використовується для підтримки, обертання, моторних та компресорних частин побутової техніки.

Використовується для обертання та руху підтримки та направляючих частин обладнання для автоматиза...

У будівельних конструкціях підшипники можна використовувати для з'єднання різних конструкцій...

У процесі виробництва продуктів харчування та напоїв для транспортування газів використовуються н...

Підшипники використовуються в двигунах літаків та космічних кораблів для підтримки обертових комп...

2026-02-26

Які критичні відмінності між класами точності P6 і P5 д...
У високоточному світі обробки з цифровим програмним керуванням (ЧПК) продуктивність Шариковий підшипник 6000 є фундаментальним для досягнення субмікронної точності. Як робоча конячка Рад...

2026-02-19

Технічний аналіз: які основні відмінності між радіальни...
У галузі високоточного машинобудування вибір правильного матеріалу для радіальні шарикопідшипники з нержавіючої сталі це рішення, яке визначає термін експлуатації та безпеку всього об...

2026-02-12

Чи потрібен кульковий підшипник 6200 з нержавіючої стал...
У галузі техніки обертового руху серія 6200 є одним із найбільш широко використовуваних радіальних кулькових підшипників завдяки своїй універсальності та оптимізованій радіальній навантажувальній з...

Зв яжіться з нами

SUBMIT

Технічні консультації

  • Компанія Shanghai Yinin підшипника та трансмісії

    Індивідуальні рішення

  • Компанія Shanghai Yinin підшипника та трансмісії

    Постійні дослідження та розробки

  • Компанія Shanghai Yinin підшипника та трансмісії

    Контроль якості

  • Компанія Shanghai Yinin підшипника та трансмісії

    Технічна підтримка та навчання

  • Компанія Shanghai Yinin підшипника та трансмісії

    Швидка відповідь

Якщо у вас є будь-які технічні консультації або відгуки, ми надамо вам найпрофесійнішу відповідь якомога швидше!

Зв яжіться з нами