W серії Трек -роликові підшипники
W серії Трек -роликові підшипники
W серії Трек -роликові підшипники

W серії

Орбітальні валикові підшипники W серії - це точні підшипники, спеціально розроблені для витримки високих навантажень та надзвичайних умов праці. Вони широко використовуються в залізницях, гірничій та важкій техніці та інших полях. Основна особливість такого роду підшипника - це використання роликів як елементів прокатки. Порівняно з традиційними кульковими підшипниками, валики можуть забезпечити більшу контактну площу, тим самим мають більш високу здатність до навантаження та кращу стійкість до деформації. Орбітальні валикові підшипники W серії зазвичай виготовляються з високоміцної сталі, а поверхня спеціально оброблена, щоб мати хорошу стійкість до зносу та корозійну стійкість. Крім того, вони розроблені для зменшення тертя та шуму, підвищення ефективності роботи та продовження терміну експлуатації служби. Диверсифікований дизайн продуктів серії W дозволяє їм адаптуватися до потреб різних робочих умов та забезпечити ефективну та стабільну роботу обладнання.

Надіслати запит

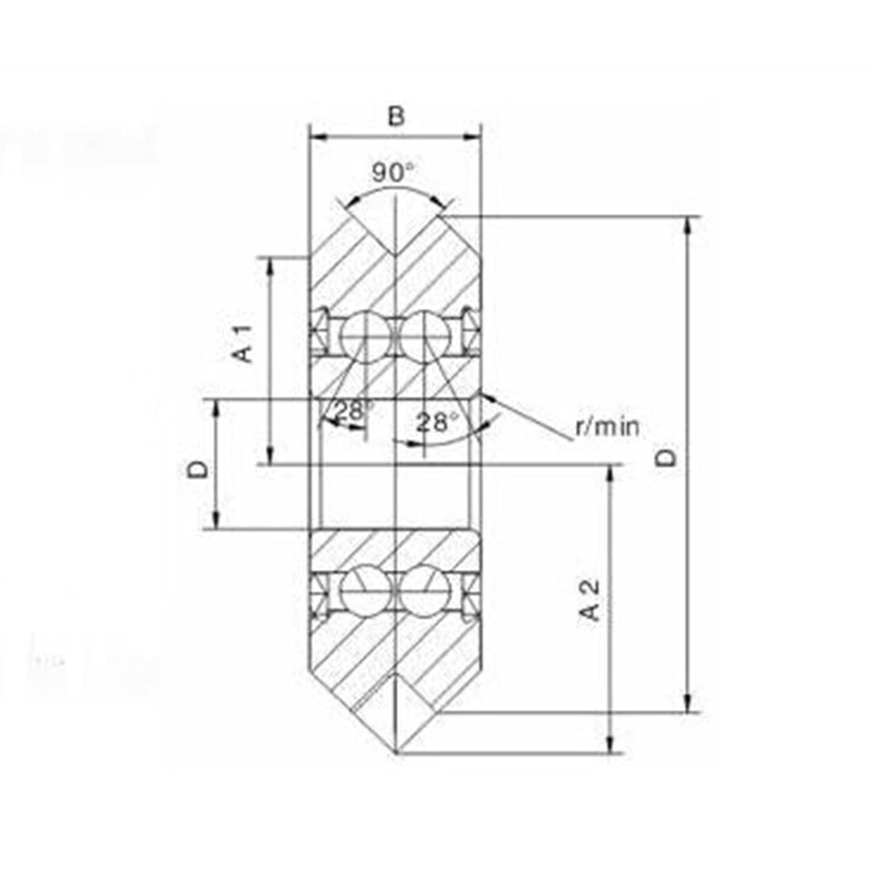
Параметри продукту

Тип Розміри (мм) Камера (r/хв) Навантаження (KN)
р. Р. Б A1 A2
W0 4 14.84 6.35 5.94 9.12 0.3 1
W0X 4 14.84 6.35 5.94 9.12 0.3 1
W1 4.763 19.56 7.87 7.9. 11.86 0.3 2.2
W1X 4.763 19.56 7.87 7.93 11.86 0.3 2.2
W2 9.525 30.73 11.1 12.7 18.24 0.3 4.9
W2X 9.525 30.73 11.1 12.7 18.24 0.3 4.9
W3 12 45.72 15.88 19.05 26.98 0.6 9.4
W3X 12 45.72 15.88 19.05 26.98 0.6 9.4
W4 15 59.94 19.05 25.4 34.93 1 14.8
W4X 15 59.94 19.05 25.4 34.93 1 14.8
W4xl 22 75.39 25.4 31.75 44.45 1.1 20.6
W4xxl 22 75.39 25.4 31.75 44.45 1.1 20.6
W1SSX 4.763 19.56 7.87 7.93 11.86 0.3 2.2
W2SSX 9.525 30.73 11.1 12.7 18.24 0.3 4.9
W3SSX 12 45.72 15.88 19.05 26.98 0.6 9.4
W4ssx 15 59.94 19.05 25.4 34.93 1 14.8

Про нас Yinin

Компанія Shanghai Yinin підшипника та трансмісії Заснована у 2009 році, маємо понад 20 років досвіду роботи в галузі підшипників. Ми є Китай W серії Трек -роликові підшипники Виробником Та пропонуємо Індивідуалізовані W серії Трек -роликові підшипники Завод. З 1999 року ми виступаємо агентом китайських виробників підшипників, експортуючи різні підшипники. Сьогодні ми перетворилися на комплексну групу підшипників, що об єднує продажі та виробництво.

Застосування в галузі

Підшипники також відіграють дуже важливу роль у сільськогосподарській техніці. Вони використовуют...

Підшипники широко використовуються в автомобілях. Вони є ключовими підтримуючими та обертовими ча...

Використовується для підтримки, висоти, кута, стику та обертових частин медичного обладнання.

Використовується для підтримки, обертання, моторних та компресорних частин побутової техніки.

Використовується для обертання та руху підтримки та направляючих частин обладнання для автоматиза...

У будівельних конструкціях підшипники можна використовувати для з'єднання різних конструкцій...

У процесі виробництва продуктів харчування та напоїв для транспортування газів використовуються н...

Підшипники використовуються в двигунах літаків та космічних кораблів для підтримки обертових комп...

2026-03-26

What are the Structural Advantages of Using an Angular ...
In high-precision mechanical engineering, the choice between integrated components and modular assemblies often determines the ultimate stability of the system. For rotational applications requiring h...

2026-03-19

Why Is Your 6000 Ball Bearing Overheating, and How Can ...
In the realm of precision rotating machinery, the 6000 ball bearing is a ubiquitous component, favored for its ability to handle both radial and axial loads in a compact 10x26x8mm footprint. However, ...

2026-03-12

Why are Food-Grade Stainless Steel Deep Groove Ball Bea...
In the high-stakes environment of food and beverage manufacturing, mechanical reliability and biological safety are inseparable. The choice of stainless steel deep groove ball bearings is a critical e...

Зв яжіться з нами

SUBMIT

Технічні консультації

  • Компанія Shanghai Yinin підшипника та трансмісії

    Індивідуальні рішення

  • Компанія Shanghai Yinin підшипника та трансмісії

    Постійні дослідження та розробки

  • Компанія Shanghai Yinin підшипника та трансмісії

    Контроль якості

  • Компанія Shanghai Yinin підшипника та трансмісії

    Технічна підтримка та навчання

  • Компанія Shanghai Yinin підшипника та трансмісії

    Швидка відповідь

Якщо у вас є будь-які технічні консультації або відгуки, ми надамо вам найпрофесійнішу відповідь якомога швидше!

Зв яжіться з нами